| # | Part | Description | Price | Req | Notes | Availability |
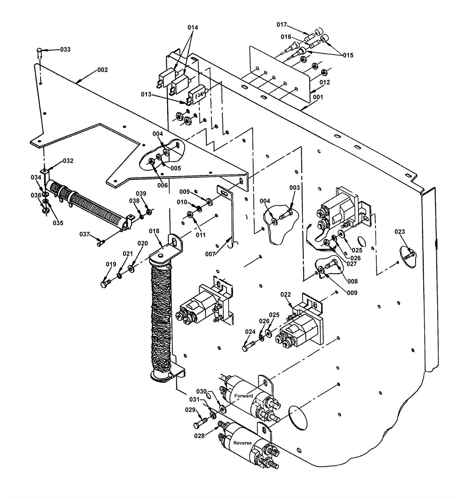
001 |
175-5001
|
Rear frame (OBSOLETE) |
$191.84
|
1 |
|
usually ships 1-5 days |
002 |
175-5002
|
Stiffener rear frame (OBSOLETE) |
$29.59
|
1 |
|
usually ships 1-5 days |
003 |
999-0507
|
Bolt M6-1 x 16mm hex head full thread plain finish |
$0.99
|
3 |
|
ships same day |
004 |
N/A
|
Not available |
Call for price
|
6 |
(not available) Washer |
usually ships 3-26 days |
005 |
999-0632
|
Washer 1/4 split lock stainless steel |
$0.99
|
3 |
|
ships same day |
006 |
999-0439
|
Nut M6-1 hex coarse thread |
$0.99
|
3 |
|
ships same day |
007 |
175-5004
|
Squeegee lift handle support bracket (OBSOLETE) |
$20.79
|
1 |
|
usually ships 1-5 days |
009 |
N/A
|
Not available |
Call for price
|
2 |
(not available) Washer |
usually ships 3-26 days |
010 |
999-0632
|
Washer 1/4 split lock stainless steel |
$0.99
|
1 |
|
ships same day |
011 |
999-0439
|
Nut M6-1 hex coarse thread |
$0.99
|
1 |
|
ships same day |
012 |
175-5007
|
Circuit breaker and fuses decal (OBSOLETE) |
$5.41
|
1 |
|
usually ships 1-5 days |
013 |
175-5008
|
10amp circuit breaker (OBSOLETE) |
$64.46
|
1 |
|
usually ships 10-13 days |
014 |
175-5009
|
17 Amp circuit breaker (OBSOLETE) |
$45.98
|
2 |
|
usually ships 1-5 days |
015 |
175-5010
|
Fuse holder |
$11.11
|
2 |
|
usually ships 10-13 days |
016 |
175-5011
|
15amp slow-blow fuse |
$27.17
|
2 |
|
usually ships 1-5 days |
017 |
175-5012
|
Flat plastic washer |
$3.56
|
1 |
|
usually ships 1-5 days |
018 |
175-5013
|
Resistor (OBSOLETE) |
$75.24
|
1 |
|
usually ships 1-5 days |
019 |
999-0436
|
Bolt M6-1 x 10mm hex head full thread zinc (350B) |
$0.99
|
2 |
|
ships same day |
020 |
N/A
|
Not available |
Call for price
|
2 |
(not available) Washer |
usually ships 3-26 days |
021 |
999-0632
|
Washer 1/4 split lock stainless steel |
$0.99
|
2 |
|
ships same day |
022 |
175-5017
|
36V contactor |
$78.87
|
3 |
|
usually ships 10-13 days |
023 |
999-0507
|
Bolt M6-1 x 16mm hex head full thread plain finish |
$0.99
|
2 |
|
ships same day |
024 |
999-0436
|
Bolt M6-1 x 10mm hex head full thread zinc (350B) |
$0.99
|
4 |
|
ships same day |
025 |
N/A
|
Not available |
Call for price
|
6 |
(not available) Washer |
usually ships 3-26 days |
026 |
999-0632
|
Washer 1/4 split lock stainless steel |
$0.99
|
6 |
|
ships same day |
027 |
999-0439
|
Nut M6-1 hex coarse thread |
$0.99
|
2 |
|
ships same day |
028 |
175-5020
|
100amp contactor (OBSOLETE) |
$131.66
|
2 |
|
usually ships 1-5 days |
029 |
999-0436
|
Bolt M6-1 x 10mm hex head full thread zinc (350B) |
$0.99
|
4 |
|
ships same day |
030 |
N/A
|
Not available |
Call for price
|
4 |
(not available) Washer |
usually ships 3-26 days |
031 |
999-0632
|
Washer 1/4 split lock stainless steel |
$0.99
|
4 |
|
ships same day |
032 |
175-2001
|
Resistor (OBSOLETE) |
$40.04
|
1 |
|
usually ships 10-13 days |
033 |
999-9104
|
Screw M4-.7 x 10mm hex head stainless steel |
$0.99
|
2 |
|
usually ships 1-5 days |
034 |
175-0450
|
Mounting bracket (OBSOLETE) |
$41.69
|
2 |
|
usually ships 1-5 days |
035 |
999-0051
|
Washer #6 medium split lock |
$0.99
|
2 |
|
ships same day |
036 |
999-0869
|
Nut M4-.7 hex coarse thread plain finish |
$0.99
|
2 |
|
ships same day |
037 |
999-0530
|
Screw M4-.7 x 8mm pan head slotted zinc |
$0.99
|
1 |
|
usually ships 16-20 days |
038 |
999-0051
|
Washer #6 medium split lock |
$0.99
|
1 |
|
ships same day |
039 |
999-0869
|
Nut M4-.7 hex coarse thread plain finish |
$0.99
|
1 |
|
ships same day |