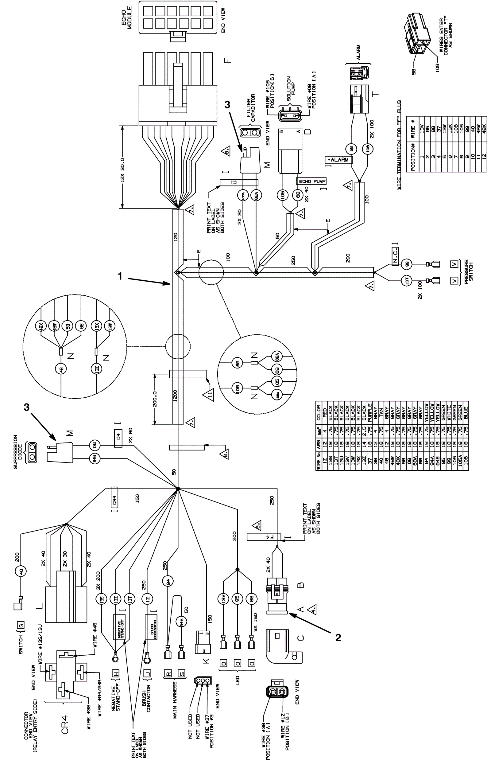
T3 ORBITAL
Wire Harness - ec-H2O Drive Model
Click to enlarge
#
Part
Description
Price
Req
Notes
Availability
1
275-5994
Wire harness assembly
$200.97
1
(includes 2-3)
usually ships 10-13 days
2
275-5885
10amp fuse
$3.30
1
usually ships 10-13 days
3
175-2216
Diode plug
$14.19
2
usually ships 10-13 days