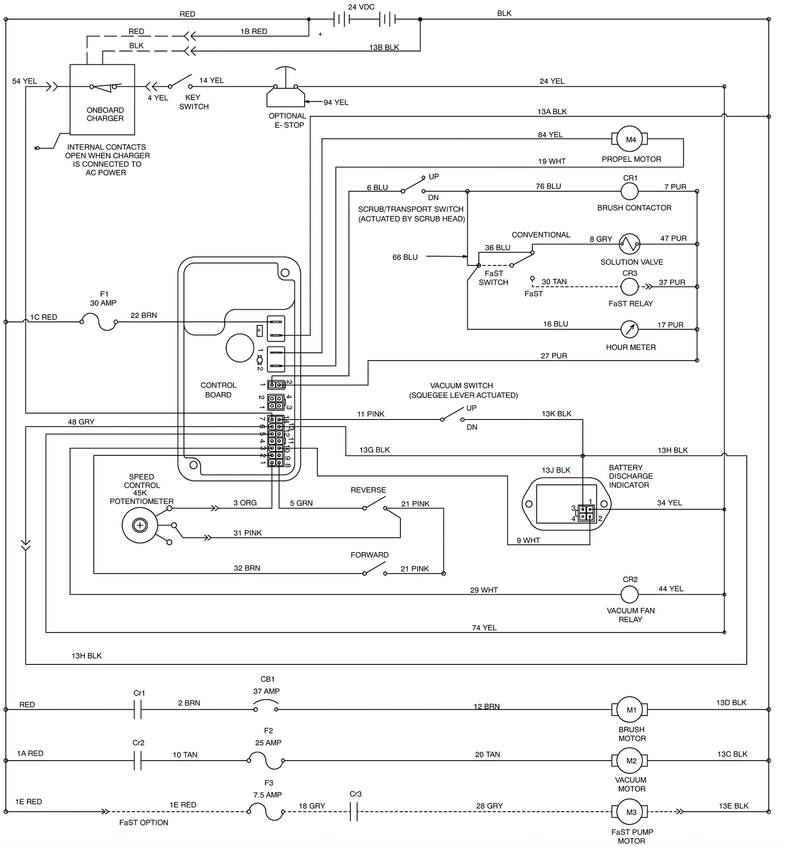
Wiring Diagram - Standard Drive Model
Click to enlarge