| # | Part | Description | Price | Req | Notes | Availability |
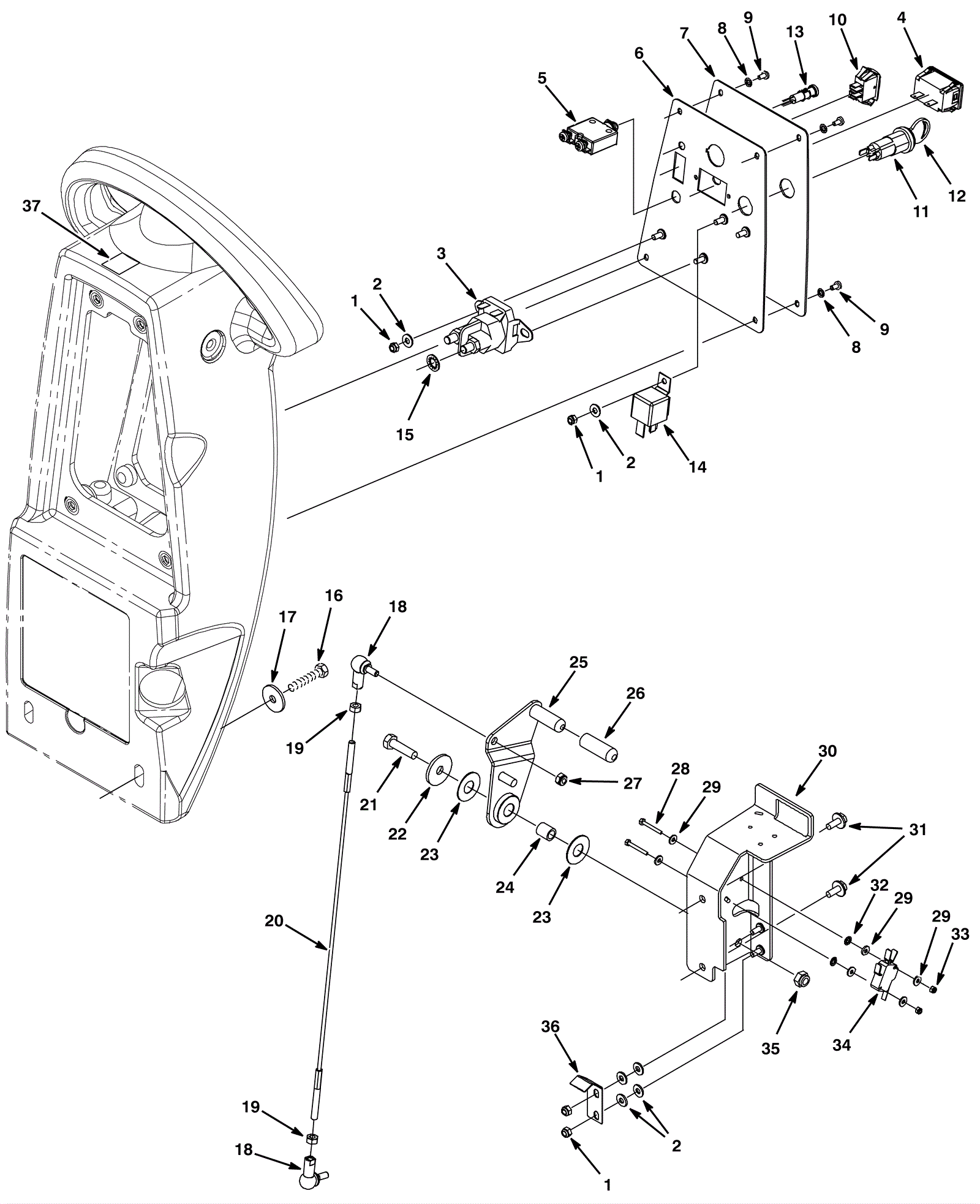
1 |
999-0740
|
Nut M5-.8 hex stainless steel |
$0.99
|
5 |
|
ships same day |
2 |
999-0998
|
Washer #10 flat stainless steel |
$0.99
|
7 |
|
ships same day |
3 |
275-4717
|
100amp relay |
$60.83
|
1 |
|
usually ships 10-15 days |
4 |
275-9900
|
Hour meter |
$57.64
|
1 |
|
usually ships 10-13 days |
5 |
275-6117
|
35amp circuit breaker |
$76.23
|
1 |
|
usually ships 10-13 days |
6 |
175-7852
|
Lower control panel |
$59.40
|
1 |
|
usually ships 10-13 days |
7a |
175-7851
|
Lower console decal |
$39.71
|
1 |
|
usually ships 10-13 days |
7b |
275-5886
|
Lower console decal |
$82.83
|
1 |
(ec-H2O model) |
usually ships 1-5 days |
8 |
999-1083
|
Washer #8 internal star lock stainless steel |
$0.99
|
4 |
|
ships same day |
9 |
175-3370
|
Screw M4-.7 x 8mm pan head stainless steel |
$3.30
|
4 |
|
usually ships 10-13 days |
10 |
175-7871
|
Rocker switch |
$18.92
|
1 |
(FaST & ec-H2P models) |
usually ships 10-13 days |
11a |
175-7872
|
Key switch with 2 keys |
$53.13
|
1 |
(includes 12) |
ships same day |
11b |
991-5161
|
Key switch with keys |
$16.04
|
1 |
(NON-OEM) |
ships same day |
12 |
991-1634
|
Key (pkg of 2) |
$14.21
|
1 |
|
ships same day |
13 |
275-4715
|
LED light |
$109.56
|
1 |
(ec-H2O model) |
ships same day |
14 |
175-6588
|
24V 70amp elevated relay |
$18.92
|
1 |
|
ships same day |
15 |
999-1053
|
Washer 5/16 internal star lock stainless steel |
$0.99
|
1 |
|
ships same day |
16 |
999-0787
|
Bolt M8-1.25 x 40mm hex head full thread stainless steel |
$2.48
|
2 |
|
ships same day |
17 |
275-7133
|
Washer .34B x 1.25D x .11 flat stainless steel |
$5.50
|
2 |
|
ships same day |
18 |
175-7860
|
Ball joint |
$26.18
|
2 |
|
ships same day |
19 |
999-1308
|
Nut M6-1 hex stainless steel |
$0.99
|
2 |
|
ships same day |
20 |
175-7859
|
Squeegee lift cable |
$48.62
|
1 |
|
usually ships 10-13 days |
21 |
999-0785
|
Screw M8-1.25 x 30mm hex head stainless steel |
$2.24
|
1 |
|
ships same day |
22 |
275-7133
|
Washer .34B x 1.25D x .11 flat stainless steel |
$5.50
|
1 |
|
ships same day |
23 |
175-7856
|
Washer M13-.8 x 30mm flat nylon |
$5.28
|
2 |
|
ships same day |
24 |
175-5070
|
Sleeved bearing |
$5.28
|
1 |
|
usually ships 10-13 days |
25 |
175-7858
|
Lever weldment |
$216.81
|
1 |
|
usually ships 10-13 days |
26 |
175-7857
|
Handle grip |
$5.28
|
1 |
|
ships same day |
27 |
999-0497
|
Nut M6-1 nylon insert lock stainless steel |
$0.99
|
1 |
|
ships same day |
28 |
275-5888
|
Screw M3-.5 x 25mm hex head stainless steel |
$3.70
|
2 |
|
ships same day |
29 |
999-1158
|
Washer #6 flat stainless steel |
$0.99
|
6 |
|
ships same day |
30 |
175-7854
|
Lever weldment bracket |
$102.96
|
1 |
|
ships same day |
31 |
999-1383
|
Screw M6-1 x 16mm hex head stainless steel |
$3.96
|
2 |
|
ships same day |
32 |
999-1083
|
Washer #8 internal star lock stainless steel |
$0.99
|
2 |
|
ships same day |
33 |
999-1161
|
Nut M3-.5 hex nylock stainless steel |
$0.99
|
2 |
|
ships same day |
34 |
175-7836
|
Snap switch |
$27.61
|
1 |
|
usually ships 10-13 days |
35 |
999-0496
|
Nut M8-1.25 nylon insert lock stainless steel |
$1.98
|
1 |
|
ships same day |
36 |
175-7365
|
Squeegee lever spring |
$10.67
|
1 |
|
usually ships 10-13 days |
37 |
175-7868
|
Direction decal |
$7.48
|
1 |
|
usually ships 1-5 days |