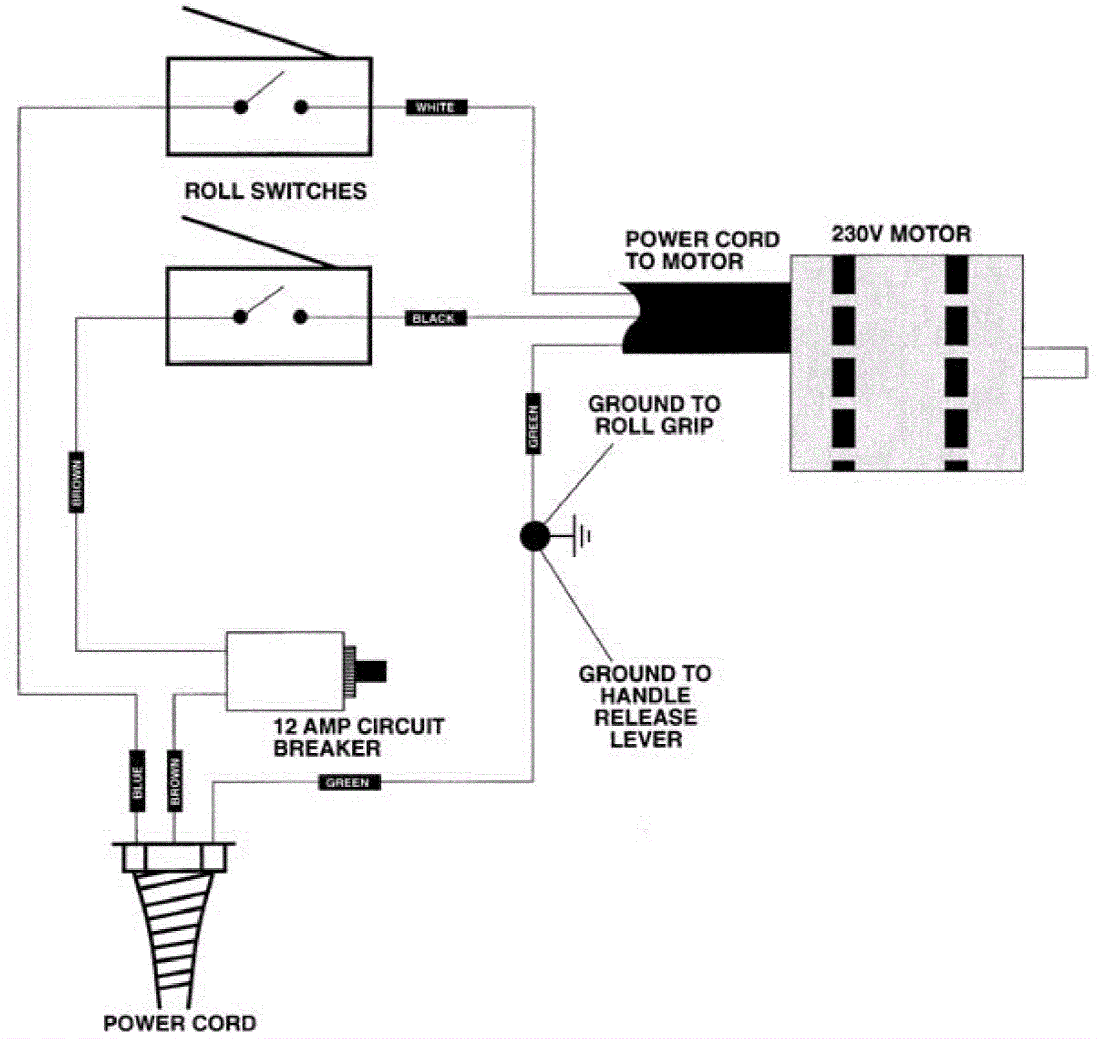
Electrical Diagram - 230V
Click to enlarge