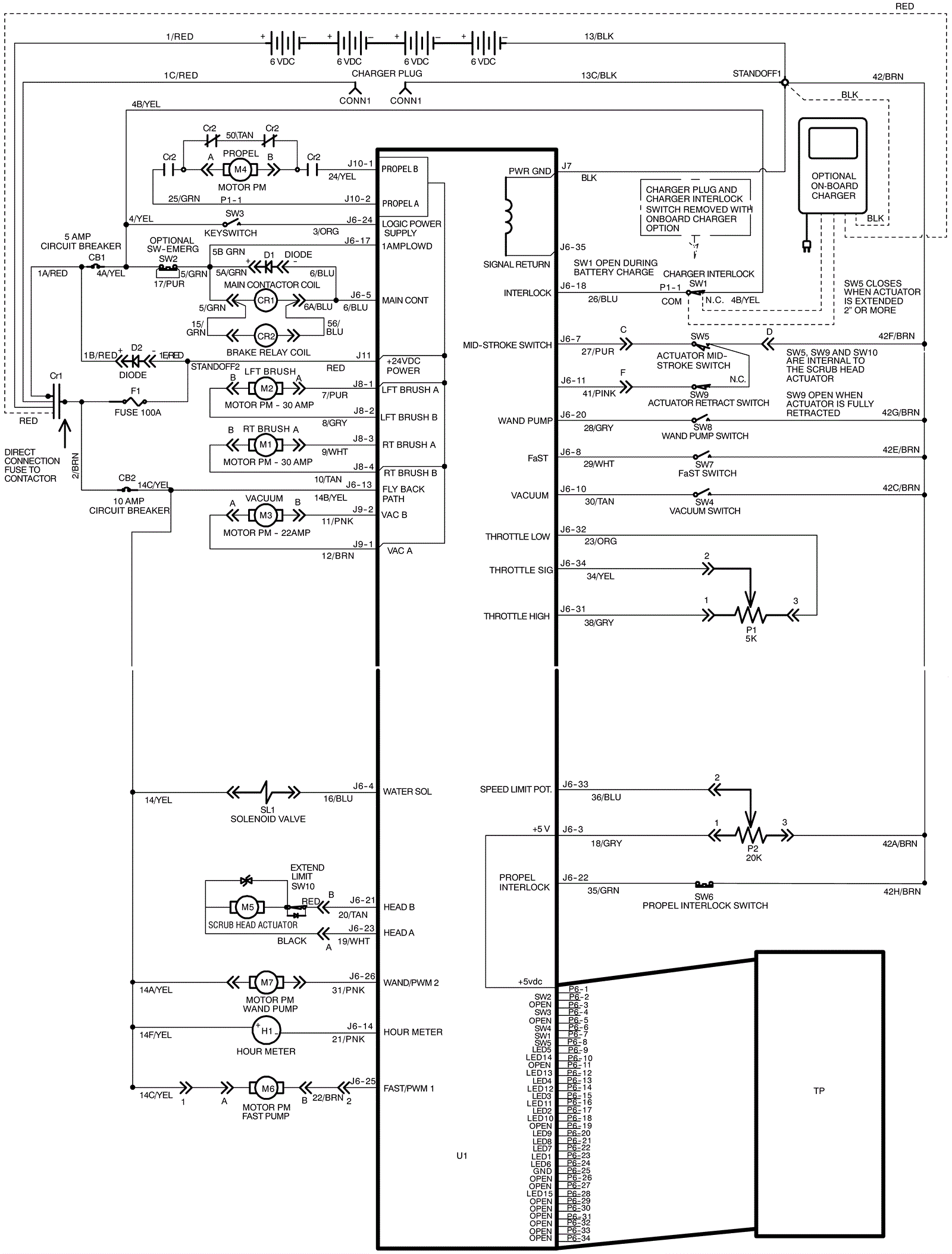
Wiring Diagram - Standard and FaST Model
Click to enlarge