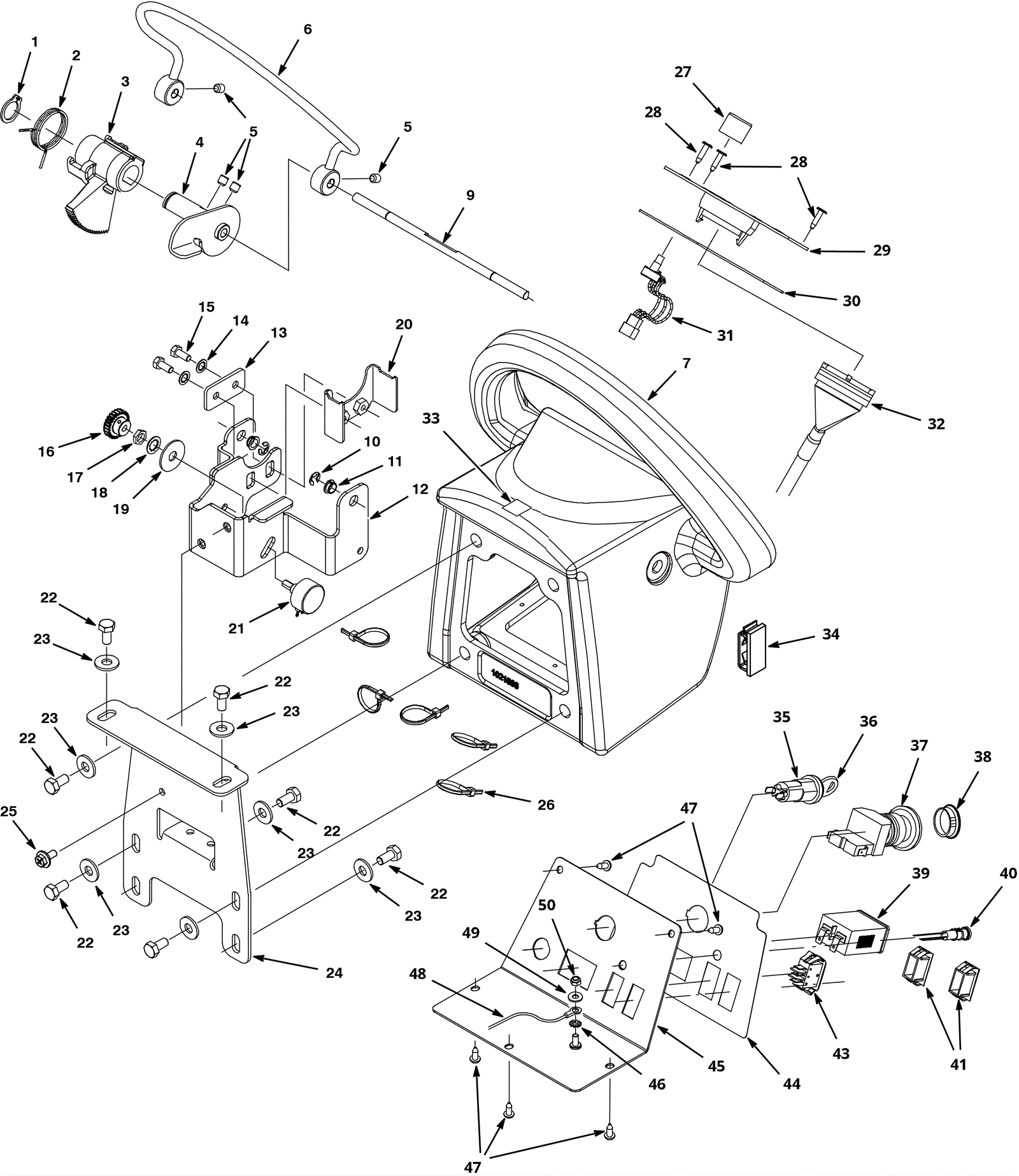
| # | Part | Description | Price | Req | Notes | Availability |
1 |
275-1406
|
Retaining ring |
$21.01
|
1 |
|
usually ships 10-13 days |
2 |
175-4260
|
Torsion spring |
$7.37
|
1 |
|
usually ships 10-13 days |
3 |
275-1407
|
Bail drive actuator |
$23.54
|
1 |
|
usually ships 10-13 days |
4 |
275-1408
|
Bail actuator shaft weldment |
$156.86
|
1 |
|
usually ships 10-13 days |
5 |
999-1339
|
Screw M8-1.25 x 8mm set cup point |
$0.99
|
4 |
|
ships same day |
6 |
275-1409
|
Console bail lever weldment |
$1,236.40
|
1 |
|
usually ships 1-5 days |
7 |
475-3914
|
HOUSING KIT, CNTRL [T5] |
$385.44
|
1 |
(before SN 10548349 also order 275-1420) |
usually ships 10-13 days |
8 |
275-1420
|
Bracket |
$134.42
|
1 |
(includes 9-12) (before SN 10548348) |
usually ships 10-13 days |
9 |
275-6574
|
Actuator shaft |
$29.92
|
1 |
|
usually ships 1-5 days |
10 |
275-2355
|
Retaining ring |
$3.30
|
2 |
(after SN 10548347) |
ships same day |
11 |
275-6575
|
Flanged nylon spacer |
$11.00
|
2 |
(after SN 10548347) |
usually ships 10-13 days |
12 |
375-4031
|
Bracket weldment |
$64.68
|
1 |
(after SN 10548347) |
usually ships 10-13 days |
13 |
175-7838
|
Plate |
$7.92
|
1 |
|
usually ships 1-5 days |
14 |
175-4544
|
Washer M6 locking |
$4.49
|
2 |
|
ships same day |
15 |
999-0507
|
Bolt M6-1 x 16mm hex head full thread plain finish |
$0.99
|
2 |
|
ships same day |
16 |
275-1422
|
24 toothed sprocket |
$65.12
|
1 |
|
usually ships 10-13 days |
17 |
175-2277
|
Nut hex head |
$4.49
|
1 |
|
usually ships 10-13 days |
18 |
175-4494
|
Washer M10 |
$4.49
|
1 |
|
usually ships 10-13 days |
19 |
175-2298
|
Washer .38 x .06 stainless steel |
$5.28
|
1 |
|
usually ships 10-13 days |
20 |
175-7837
|
Bail spring bracket |
$47.74
|
1 |
|
usually ships 1-5 days |
21 |
275-1421
|
Potentiometer kit |
$124.85
|
1 |
|
usually ships 10-13 days |
22 |
999-0783
|
Screw M8-1.25 x 16mm hex head |
$0.99
|
8 |
|
ships same day |
23 |
999-0355
|
Washer 3/8 x 7/8 SAE flat stainless steel |
$0.99
|
8 |
|
ships same day |
24 |
275-1419
|
Bracket |
$74.36
|
1 |
|
usually ships 1-5 days |
25 |
999-1383
|
Screw M6-1 x 16mm hex head stainless steel |
$3.96
|
2 |
|
ships same day |
26 |
175-7795
|
Cable tie |
$5.15
|
5 |
|
ships same day |
27 |
175-1163
|
Speed control knob |
$41.80
|
1 |
|
ships same day |
28 |
275-1411
|
Plastic rivet |
$5.28
|
3 |
|
ships same day |
29 |
275-1412
|
Upper instrument panel kit |
$307.34
|
1 |
(includes 30) |
usually ships 10-13 days |
30 |
275-1413
|
Upper panel gasket |
$25.08
|
1 |
|
usually ships 10-13 days |
31 |
275-1414
|
Potentiometer control |
$27.83
|
1 |
|
usually ships 10-13 days |
32 |
275-1437
|
Ribbon cable |
$176.99
|
1 |
|
usually ships 10-13 days |
33 |
175-7868
|
Direction decal |
$7.48
|
1 |
|
usually ships 1-5 days |
34 |
175-2582
|
Ribbon cable clamp |
$5.28
|
1 |
(before SN 10548349) |
usually ships 1-5 days |
35a |
175-7872
|
Key switch with 2 keys |
$53.13
|
1 |
(includes 36) |
ships same day |
35b |
991-5161
|
Key switch with keys |
$16.04
|
1 |
(NON-OEM) |
ships same day |
36 |
991-1634
|
Key (pkg of 2) |
$14.21
|
1 |
|
ships same day |
37 |
275-1416
|
Safety shut-off switch |
$43.67
|
1 |
(after SN 10536687) |
ships same day |
38 |
175-3126
|
Plug |
$5.28
|
1 |
(before SN 10536688) (for models before SN 10536689 without e-stop switch) |
usually ships 10-13 days |
39 |
175-8810
|
Hour meter gauge |
$87.34
|
1 |
|
usually ships 10-13 days |
40 |
275-4715
|
LED light |
$109.56
|
1 |
(after SN 10378379) (ec-H2O model) |
ships same day |
41 |
175-2698
|
Switch plug |
$6.49
|
2 |
|
ships same day |
43 |
175-7871
|
Rocker switch |
$18.92
|
1 |
|
usually ships 10-13 days |
44a |
275-1417
|
Lower operational decal |
$27.39
|
1 |
(standard and FaST models) |
usually ships 1-5 days |
44b |
275-5297
|
Lower console ec-H20 decal |
$14.19
|
1 |
(after SN 10378379) (ec-H2O models) |
usually ships 10-13 days |
45 |
275-5298
|
Lower instrument panel |
$63.69
|
1 |
|
usually ships 10-13 days |
46 |
999-1024
|
Washer 1/4 external tooth lock stainless steel |
$1.32
|
1 |
|
ships same day |
47 |
175-5815
|
Screw 10 x 1/2 pan head phillips black |
$4.22
|
5 |
|
ships same day |
48 |
275-1381
|
12 gauge wire |
$33.00
|
1 |
|
usually ships 1-5 days |
49 |
999-0998
|
Washer #10 flat stainless steel |
$0.99
|
1 |
|
ships same day |
50 |
999-0740
|
Nut M5-.8 hex stainless steel |
$0.99
|
1 |
|
ships same day |