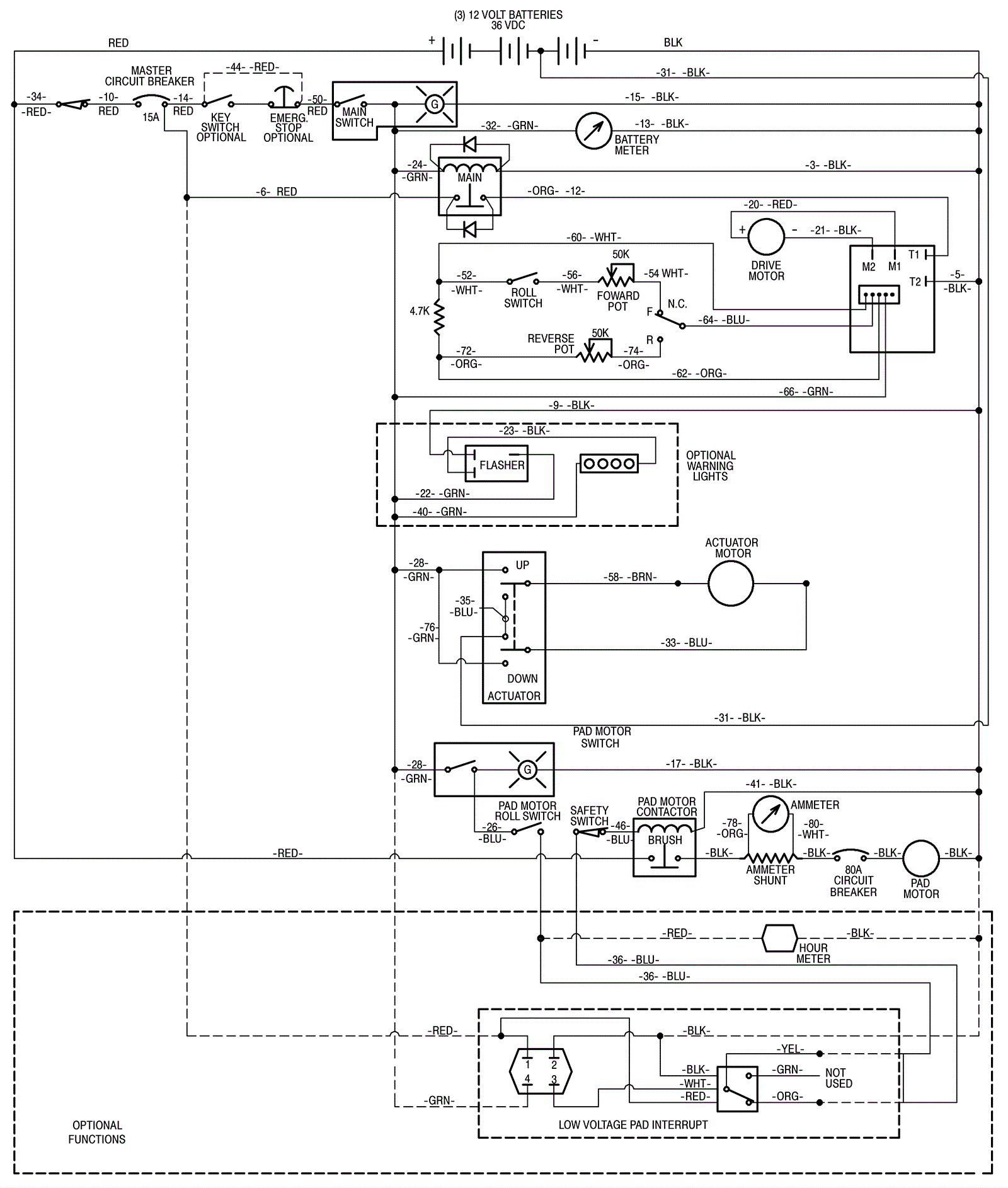
Ladder Diagram - Off-Board Charger
Click to enlarge