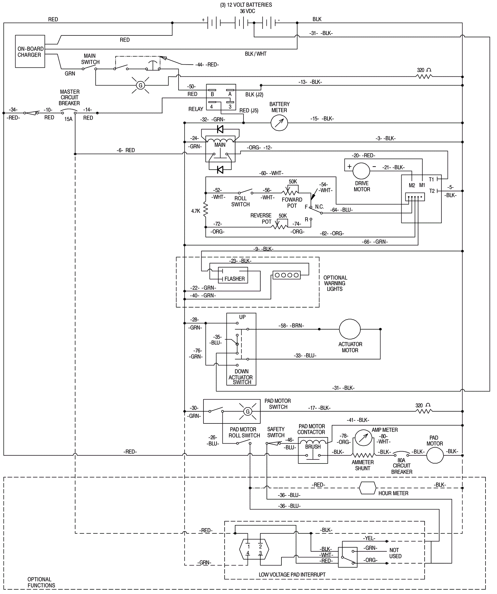
Ladder Diagram - Onboard Charger
Click to enlarge