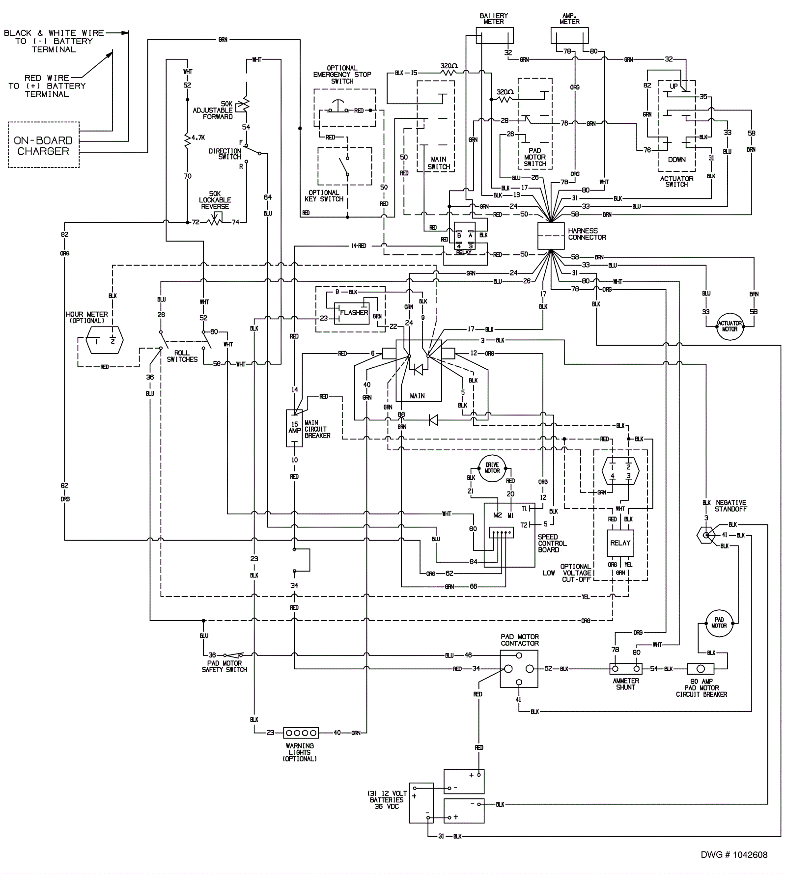
Wiring Diagram - Onboard Charger
Click to enlarge