| # | Part | Description | Price | Req | Notes | Availability |
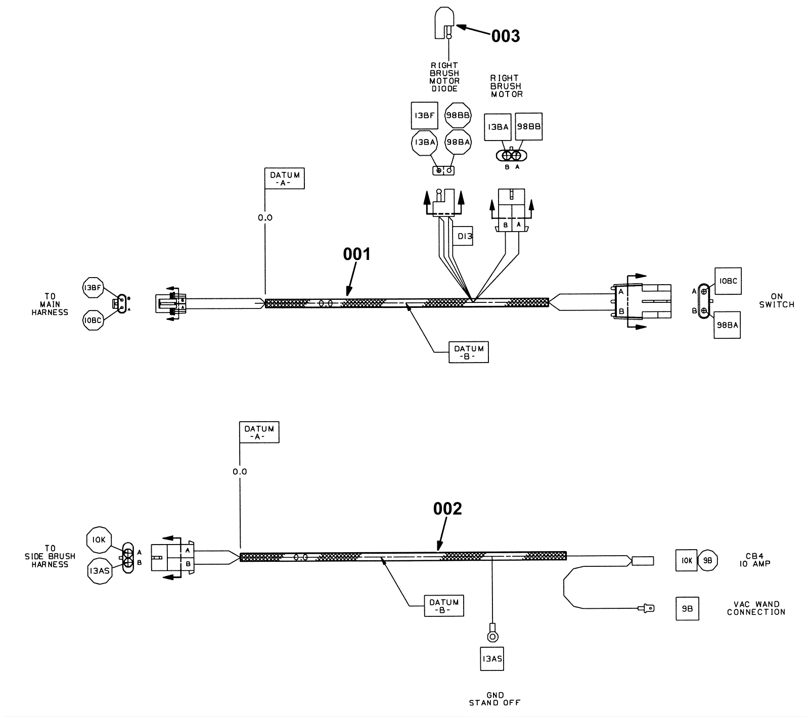
001 |
275-0162
|
Right SBA harness |
$132.33
|
1 |
|
usually ships 1-5 days |
002 |
275-0163
|
Retrofit SBA harness |
$383.35
|
1 |
|
usually ships 1-5 days |
003 |
175-2216
|
Diode plug |
$14.19
|
1 |
|
usually ships 10-13 days |
N/S |
275-0126
|
TIE, CABLE, 6.0L, 1.25D MAX (Tennant Industrial) |
$3.83
|
4 |
|
usually ships 1-5 days |