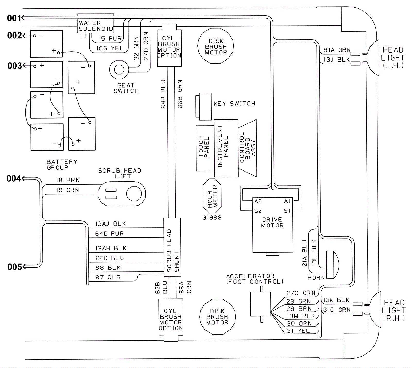
Wire Harnesses Group (008238-) 2
Click to enlarge