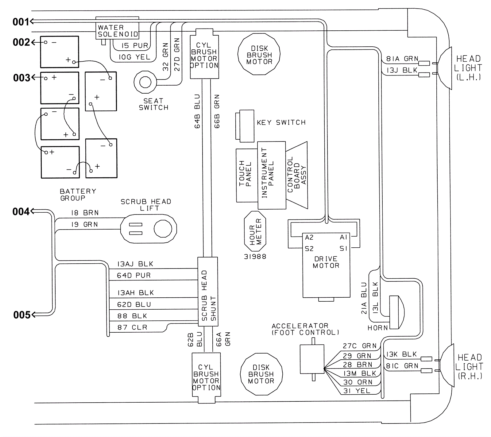
Wire Harnesses Group (000000-008237) 2
Click to enlarge