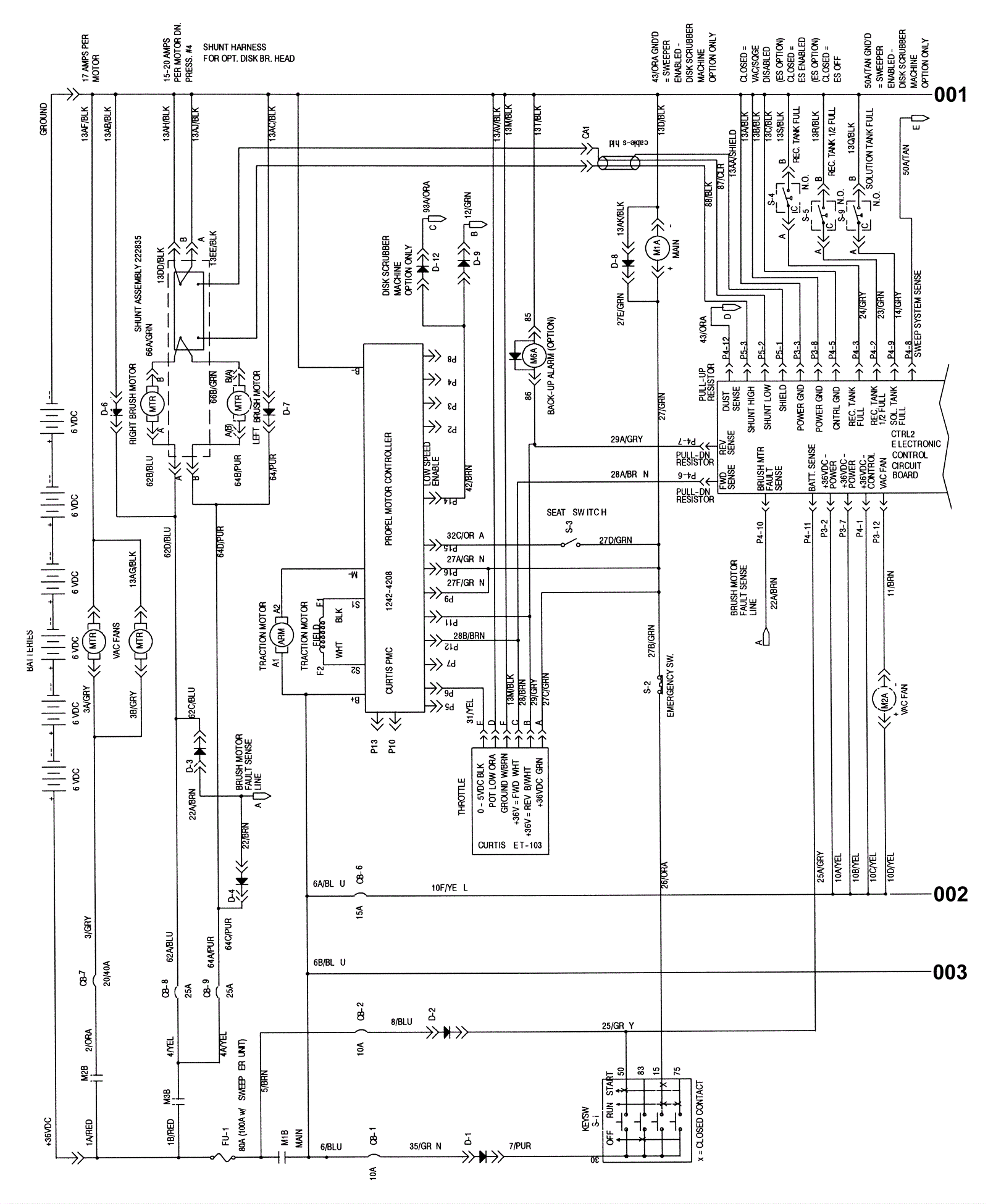
Electrical Schematic (008238-) 1
Click to enlarge