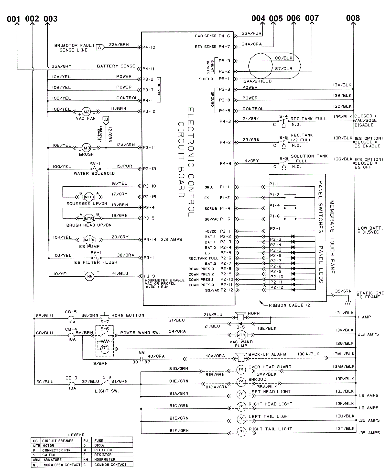
Electrical Schematic ( 000000-008237) 2
Click to enlarge