T7
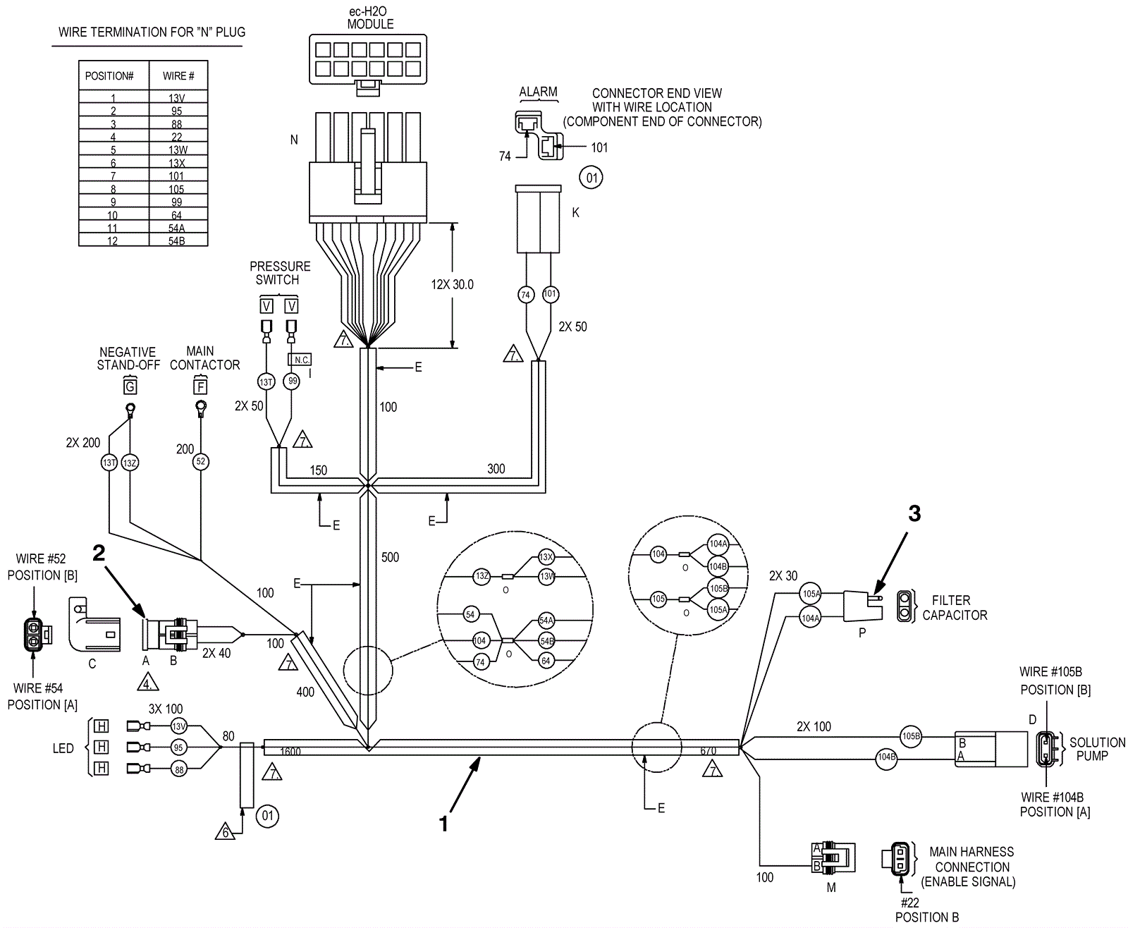
Wire Harness Assembly - ec-H2O Model - After SN 10419533
Click to enlarge
#
Part
Description
Price
Req
Notes
Availability
1
275-4935
Wire harness kit
$105.82
1
usually ships 10-13 days
2
275-5885
10amp fuse
$3.30
1
usually ships 10-13 days
3
275-4752
Capacitor plug
$18.92
1
usually ships 10-13 days