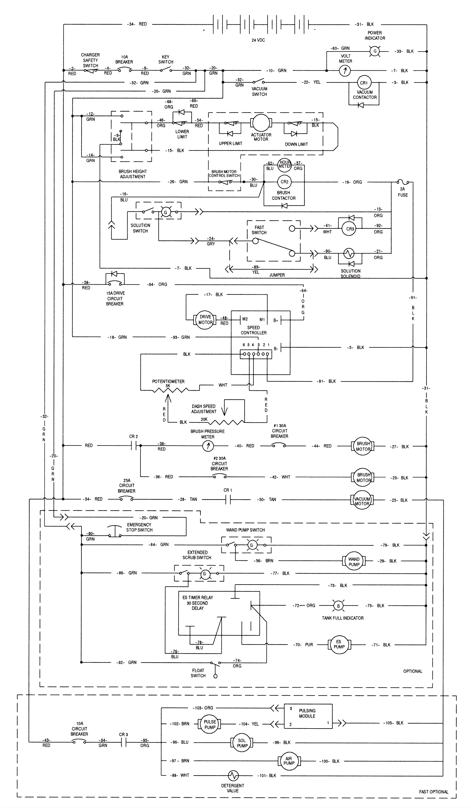
Ladder Diagram
Click to enlarge