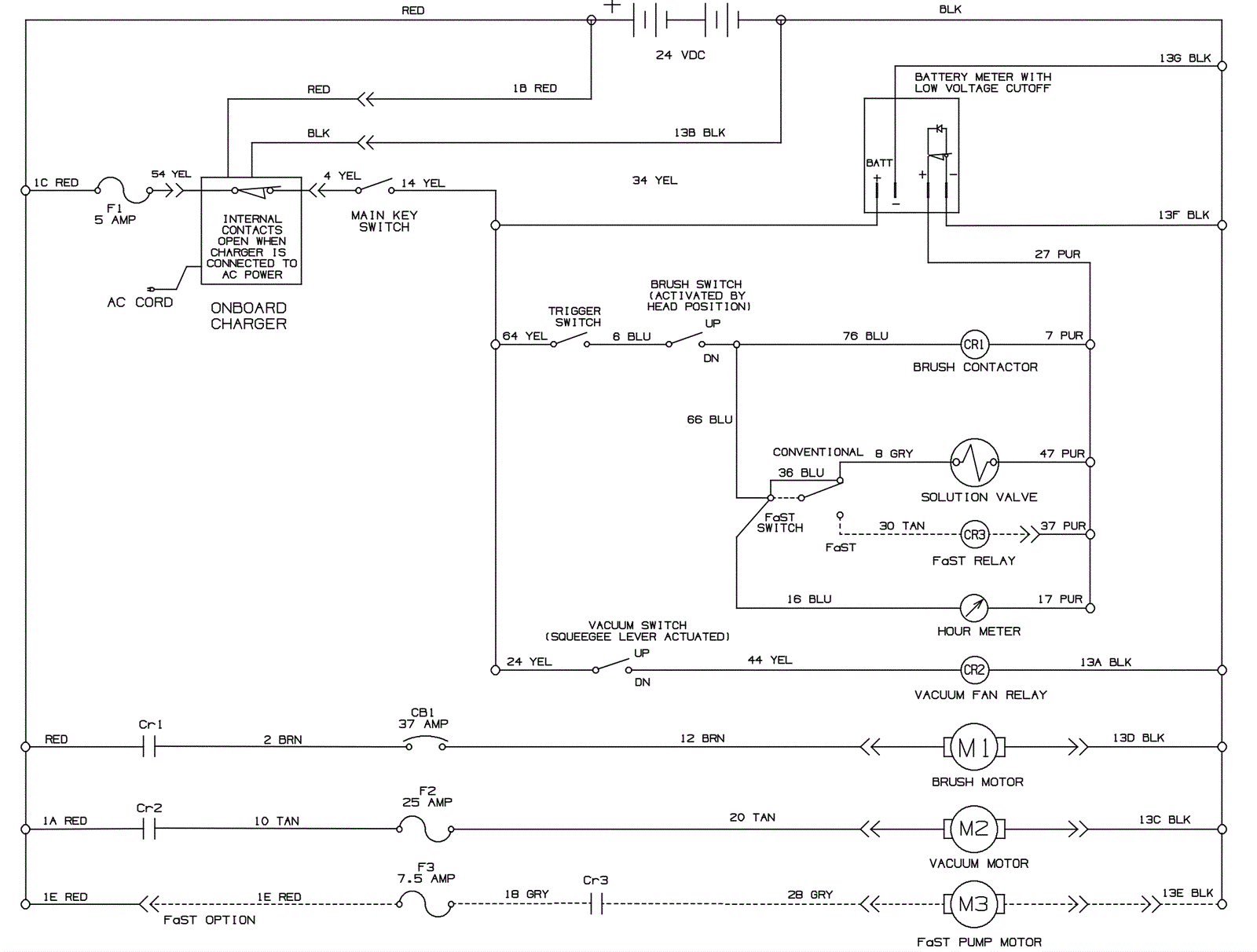
Wiring Diagram - Brush Assist Standard and FaST Models
Click to enlarge