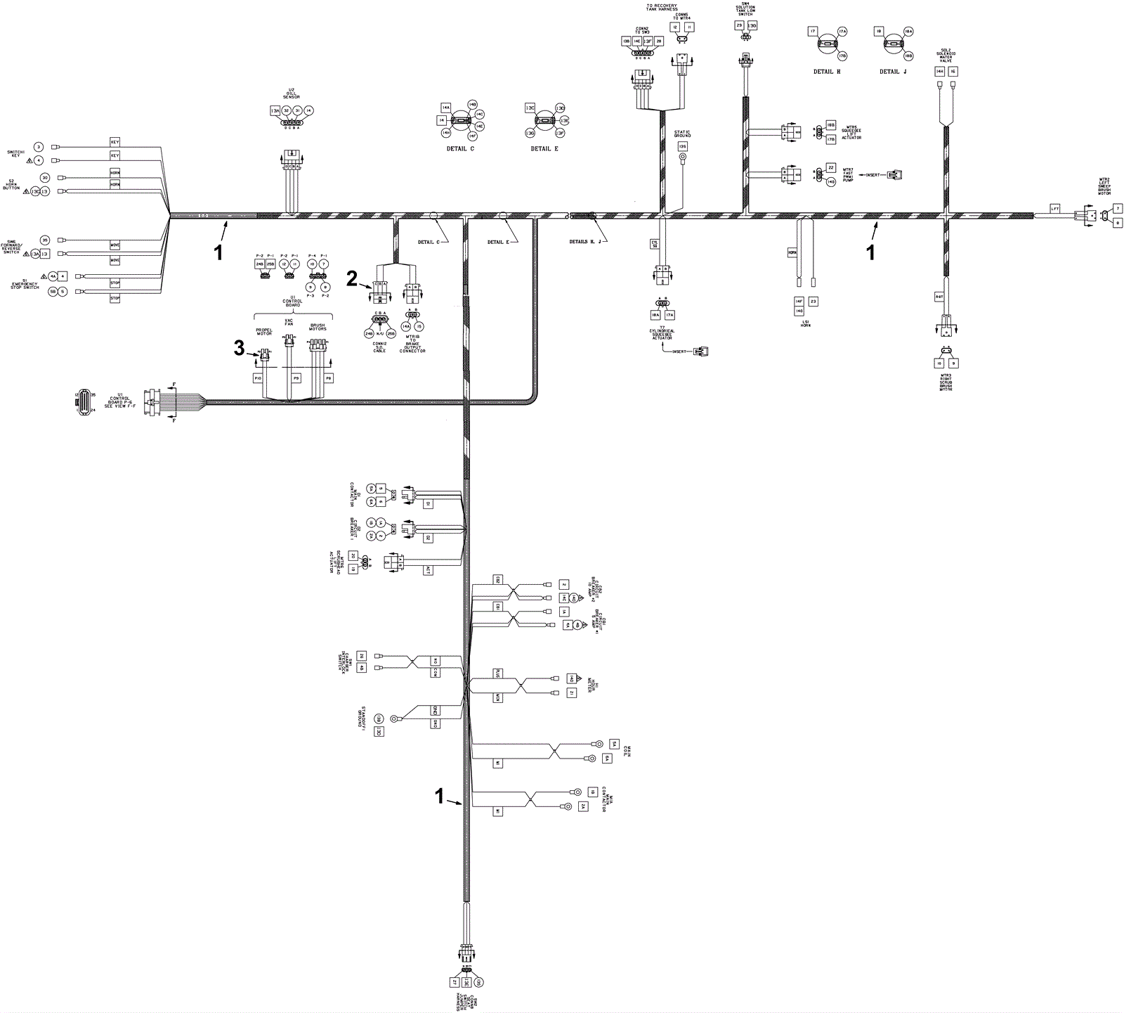
T7 Wire Harness Assembly - After SN 10426042

#PartDescriptionPriceReqNotesAvailability
1 275-4934 Main harness $595.98 1 (includes 2-4) usually ships 10-13 days
2 275-4932 Male connector (3 cavity) $16.61 1 ships same day
3 275-4933 Female body connector (2 receptacles) $18.81 2 usually ships 10-13 days
4 375-1456 Female Molex connector $18.81 1 ships same day