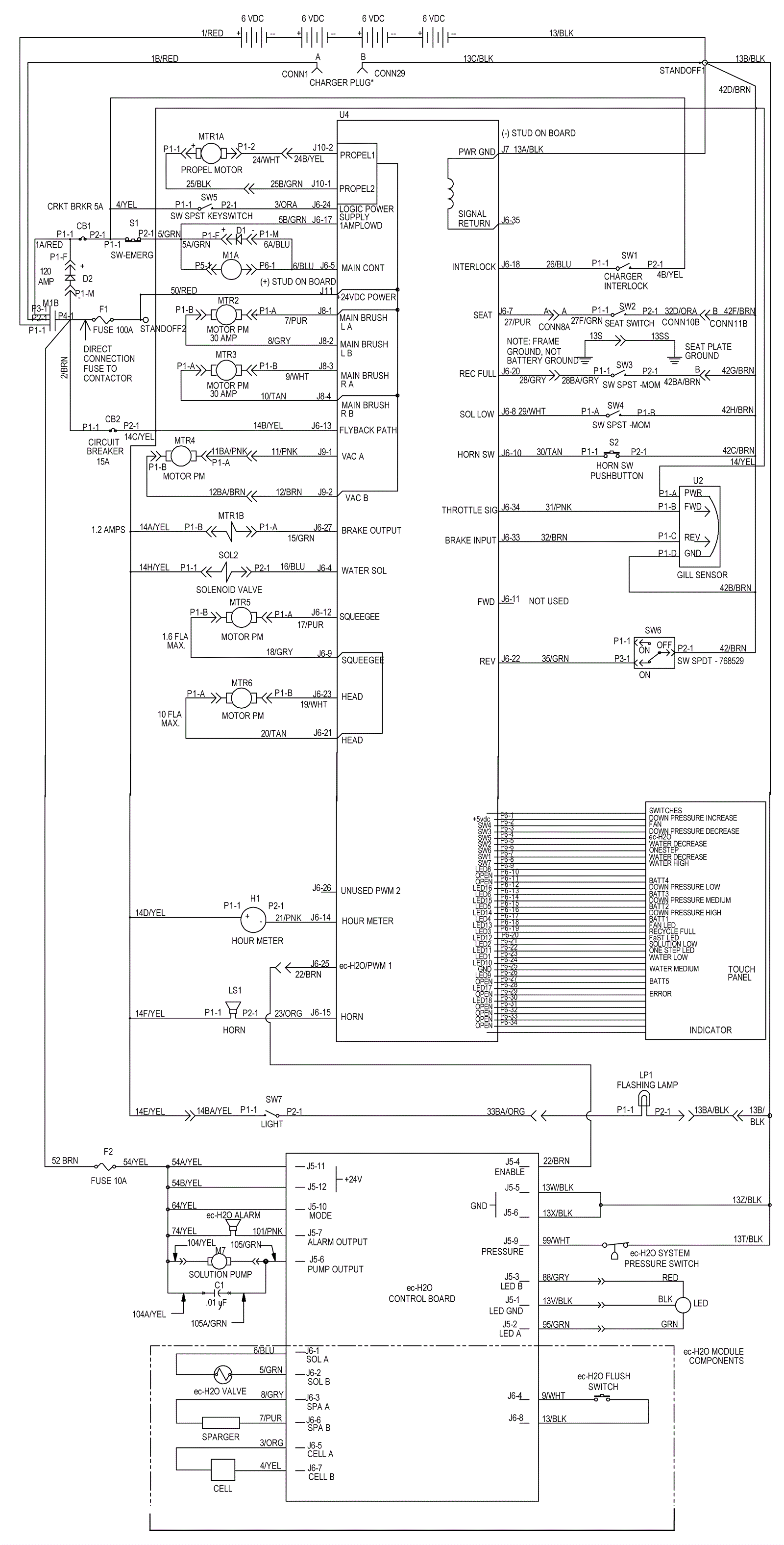
Wiring Diagram - ec-H2O Model - After SN10419533
Click to enlarge