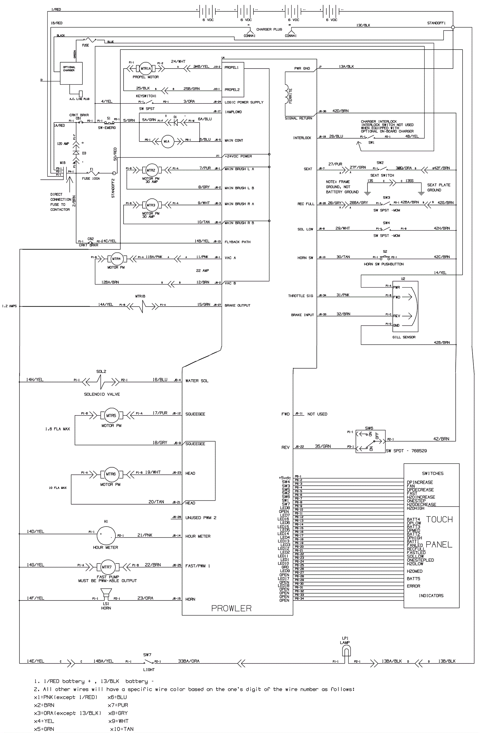
Wiring Diagram - Standard and FaST Model - Before SN 10426043
Click to enlarge