| # | Part | Description | Price | Req | Notes | Availability |
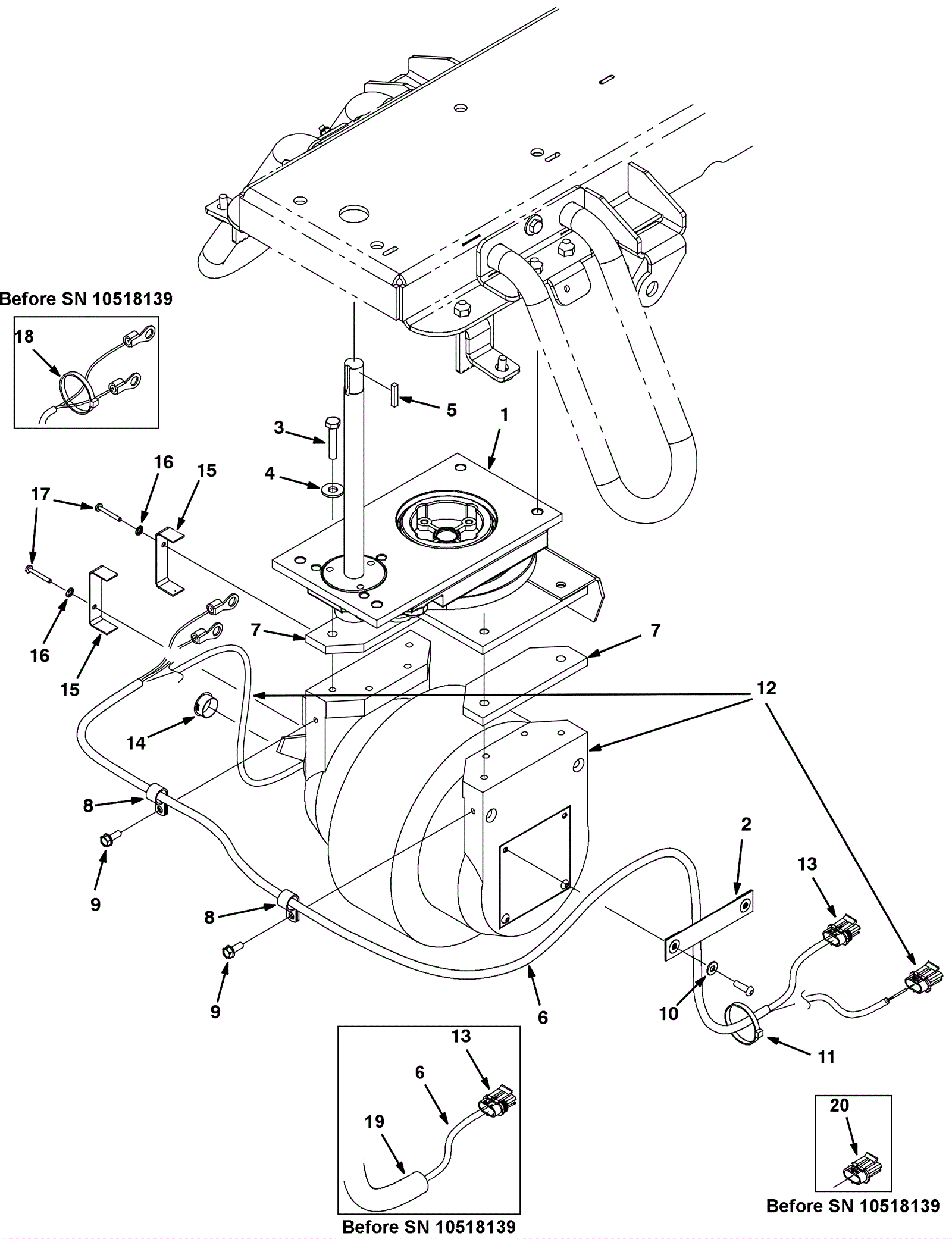
1 |
275-8091
|
Steering control assembly |
$1,374.01
|
1 |
|
usually ships 10-13 days |
2 |
275-8095
|
Nylon strap |
$22.22
|
1 |
|
ships same day |
3a |
999-0501
|
Bolt M8-1.25 x 25mm hex head full thread stainless steel |
$2.64
|
4 |
(disk) |
ships same day |
3b |
999-0787
|
Bolt M8-1.25 x 40mm hex head full thread stainless steel |
$2.48
|
4 |
(cylindrical) |
ships same day |
4 |
999-0355
|
Washer 3/8 x 7/8 SAE flat stainless steel |
$0.99
|
4 |
|
ships same day |
5 |
175-3200
|
Square keyway |
$4.49
|
1 |
|
ships same day |
6a |
275-7037
|
Brake harness |
$76.34
|
1 |
(after SN 10518138) |
ships same day |
6b |
275-8093
|
Motor harness |
$181.94
|
1 |
(before SN 10518139) (includes 13) |
usually ships 10-13 days |
7 |
275-9356
|
Drive plate spacer |
$38.94
|
2 |
|
usually ships 10-13 days |
8a |
175-2667
|
P clamp |
$5.28
|
2 |
(after SN 10518138) |
usually ships 10-13 days |
8b |
175-3179
|
P clamp |
$5.28
|
2 |
(before SN 10518139) |
usually ships 10-13 days |
9 |
175-3166
|
Bolt M6-1 x 16mm hex head |
$5.28
|
2 |
|
usually ships 10-13 days |
10 |
999-0006
|
Washer 3/16 flat zinc plated |
$0.99
|
2 |
|
ships same day |
11 |
175-7795
|
Cable tie |
$5.15
|
4 |
(after SN 10518138) |
ships same day |
12a |
275-6296
|
Wheel gearbox kit |
$5,071.11
|
1 |
(includes 13) (after SN 10518138) (does not include motor brake harness) |
usually ships 10-13 days |
12b |
275-6297
|
Wheel gearbox kit |
$5,209.93
|
1 |
(includes 20a-20d) (before SN 10518139) (T7 includes 13b) |
usually ships 10-13 days |
13a |
275-9355
|
Female connector |
$17.49
|
1 |
|
ships same day |
13b |
275-8093
|
Motor harness |
$181.94
|
1 |
(T7) |
usually ships 10-13 days |
14 |
175-3126
|
Plug |
$5.28
|
1 |
(after SN 10518138) |
usually ships 10-13 days |
15 |
275-7038
|
Cord bracket |
$14.19
|
2 |
(after SN 10518138) |
usually ships 1-5 days |
16 |
999-1083
|
Washer #8 internal star lock stainless steel |
$0.99
|
2 |
(after SN 10518138) |
ships same day |
17 |
999-1672
|
Screw M4-.7 x 30mm pan head phillips stainless steel |
$0.99
|
2 |
(after SN 10518138) |
ships same day |
18 |
175-2202
|
Nylon wire tie |
$4.49
|
1 |
(before SN 10518139) |
ships same day |
19 |
275-8094
|
3 foot nylon sleeve |
$42.35
|
1 |
(before SN 10518139) |
usually ships 10-13 days |
20a |
175-8753
|
Female connector |
$8.25
|
1 |
(before SN 10518139) (speed scrub ride) |
usually ships 10-13 days |
20b |
175-8756
|
Male and female secondary lock |
$5.28
|
1 |
(before SN 10518139) (speed scrub ride) |
usually ships 10-13 days |
20c |
275-8096
|
Female terminal |
$4.49
|
1 |
(before SN 10518139) (speed scrub ride) |
ships same day |
20d |
275-8097
|
Wire seal |
$4.62
|
1 |
(before SN 10518139) (speed scrub ride) |
ships same day |