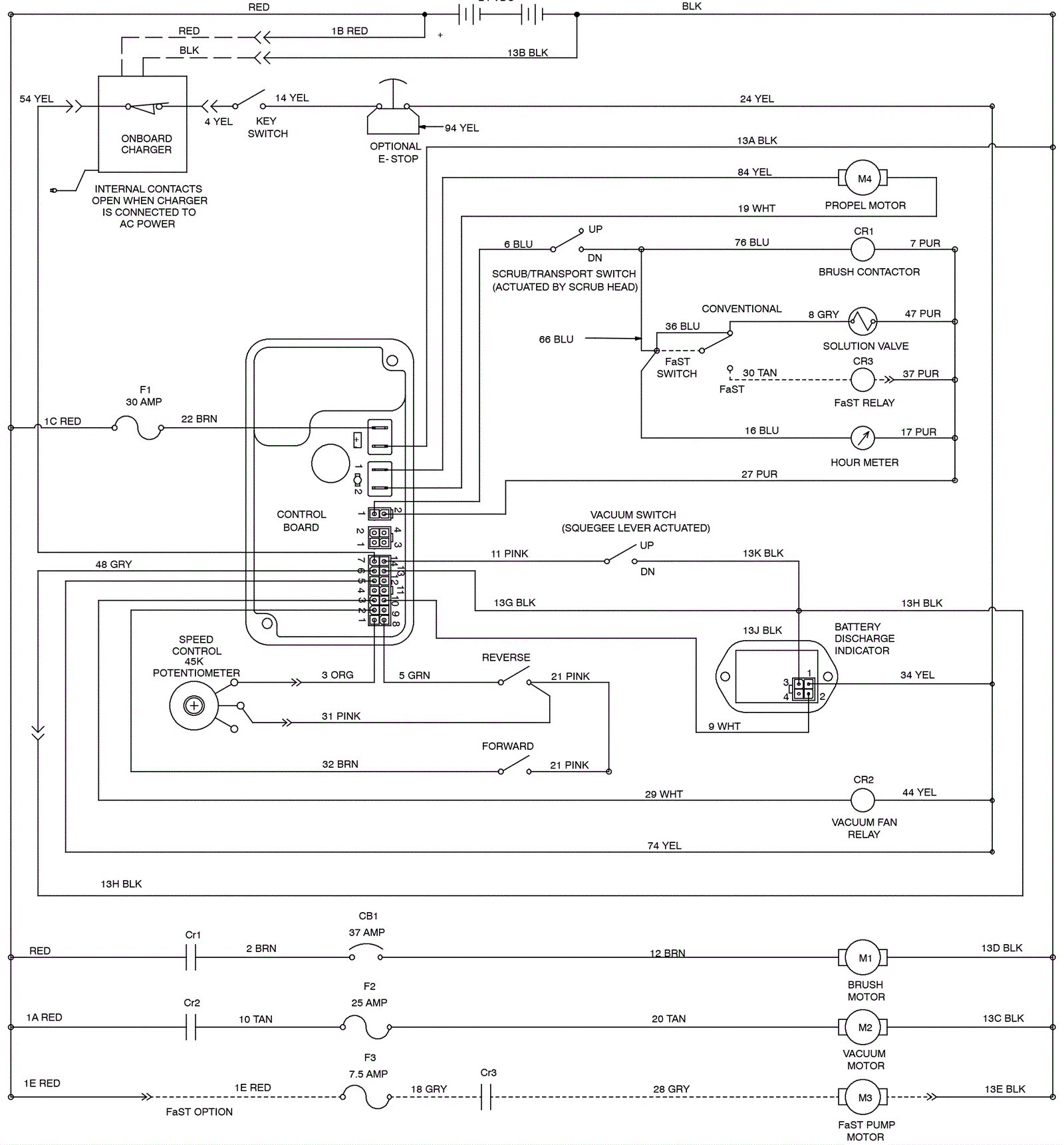
Wiring Diagram - Drive Standard and FaST Models
Click to enlarge