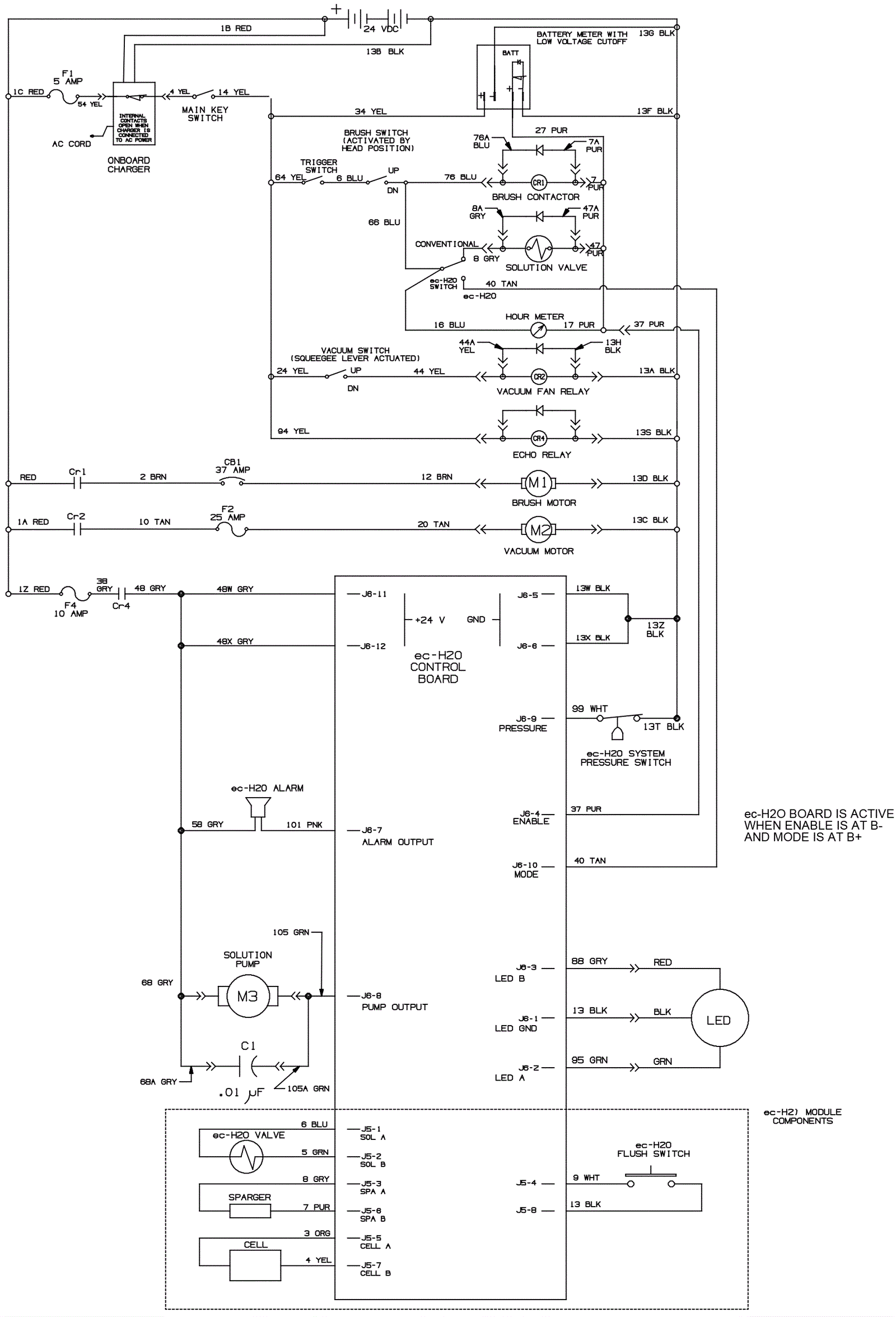
Wiring Diagram - Brush Assist ec-H2O Models
Click to enlarge