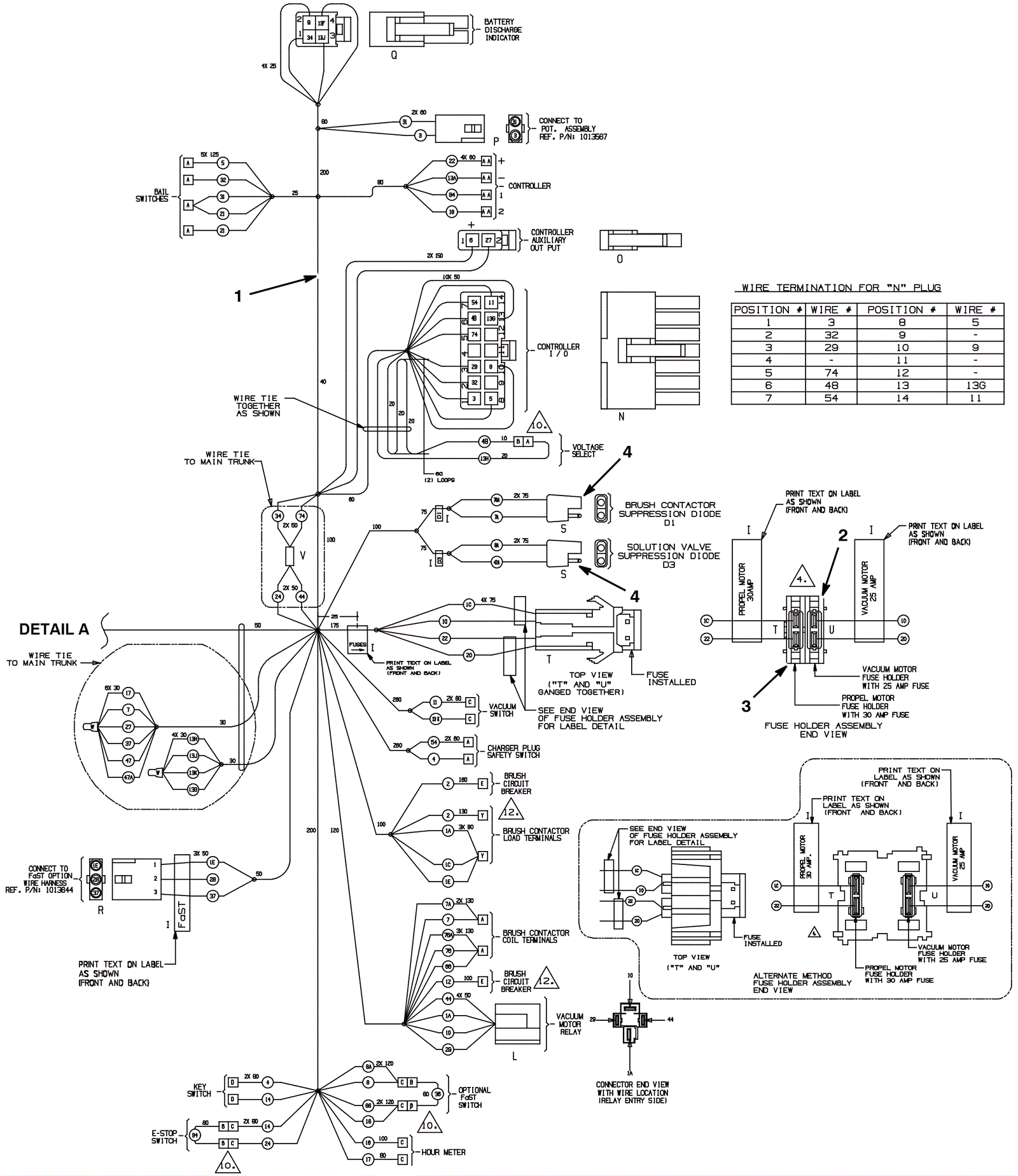
Wire Harness Diagram - Drive Model 1
Click to enlarge