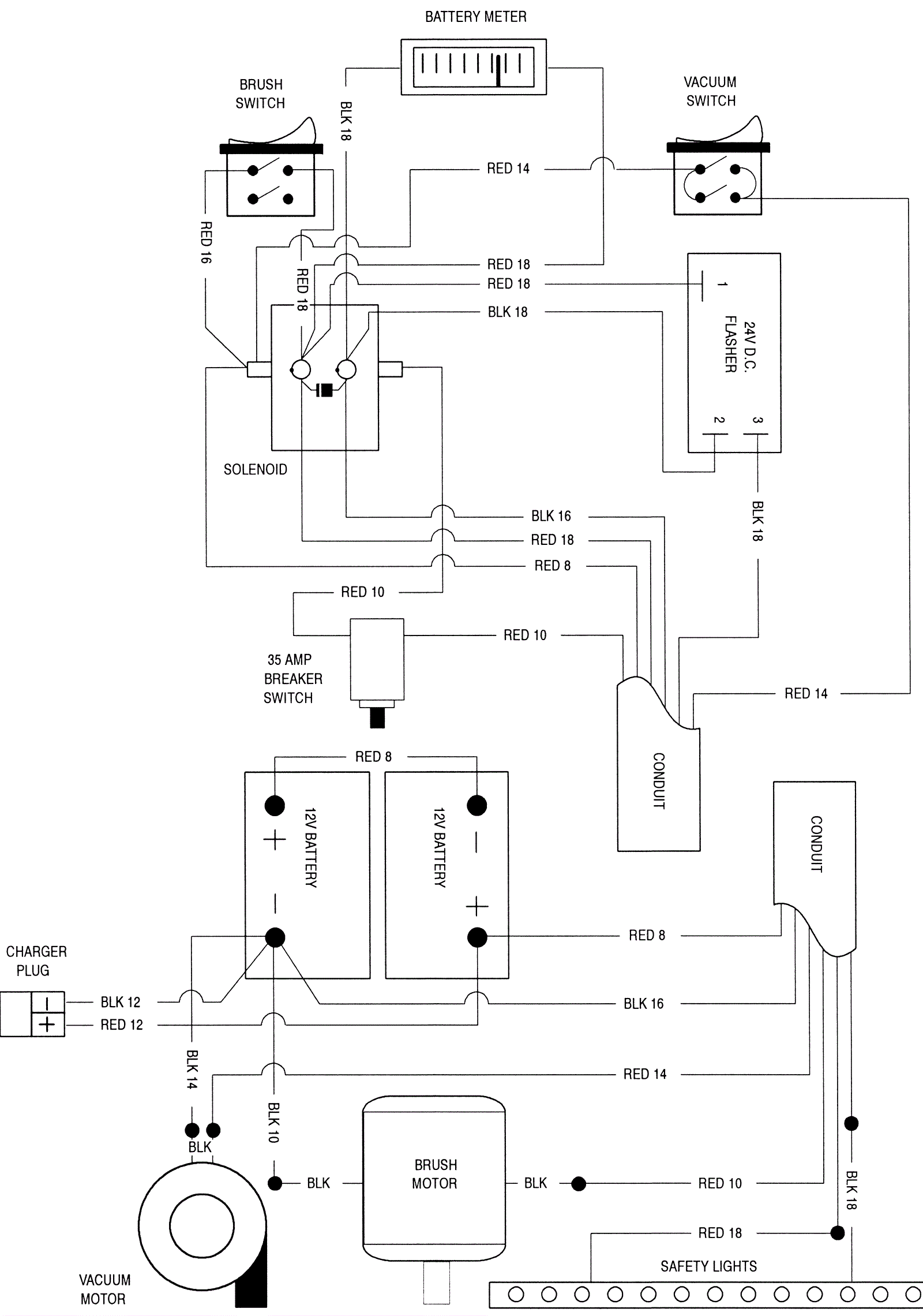
24V Wiring Diagram
Click to enlarge