# | Part | Description | Price | Req | Notes | Availability |
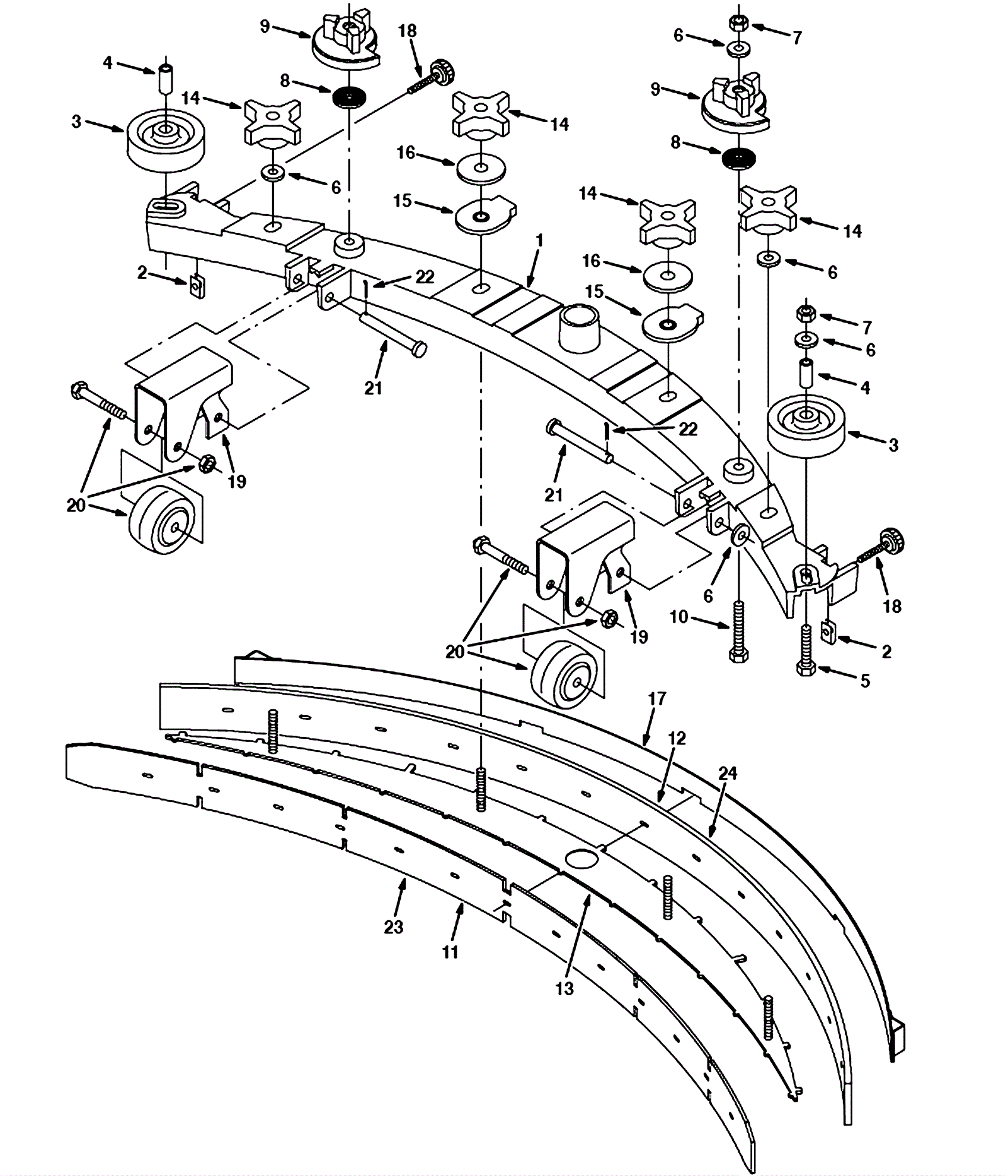
1 |
175-3465
|
28 inch (700mm) squeegee weldment |
$230.89
|
1 |
|
usually ships 10-13 days |
2 |
175-2291
|
Nut 1/4-20 speed clip |
$4.36
|
2 |
|
ships same day |
3 |
175-2066
|
3 inch bumper wheel |
$10.45
|
2 |
|
usually ships 10-13 days |
4 |
175-4916
|
Sleeve |
$5.50
|
2 |
|
usually ships 10-13 days |
5 |
175-2854
|
Screw M8-1.25 x 45mm hex head stainless steel |
$5.28
|
2 |
|
ships same day |
6 |
999-9097
|
Washer M8 flat stainless steel |
$0.99
|
8 |
|
ships same day |
7 |
999-0496
|
Nut M8-1.25 nylon insert lock stainless steel |
$1.34
|
4 |
|
ships same day |
8 |
175-2309
|
Washer |
$5.28
|
2 |
|
ships same day |
9 |
175-2183
|
Adjustment cam |
$9.02
|
2 |
|
ships same day |
10 |
999-0909
|
Bolt M8-1.25 x 70mm hex head stainless steel |
$3.83
|
2 |
|
ships same day |
11a |
175-3466
|
Squeegee blade 26 and 28 inch linatex front (red) |
$29.59
|
1 |
|
ships same day |
11b |
991-7139
|
Squeegee blade 26 inch gum rubber front (red) |
$16.41
|
1 |
(NON-OEM) |
ships same day |
12 |
175-3477
|
Squeegee blade 26 and 28 inch gum rubber rear (tan) |
$29.48
|
1 |
|
ships same day |
13 |
175-3467
|
Squeegee retainer plate 28 inch |
$195.47
|
1 |
|
usually ships 10-13 days |
14 |
175-2208
|
Plastic star knob |
$5.28
|
4 |
|
ships same day |
15 |
175-3469
|
Squeegee mounting ring |
$14.30
|
2 |
|
usually ships 10-13 days |
16 |
175-3470
|
Washer .53b 1.88d .12 steel plated |
$5.28
|
2 |
|
usually ships 10-13 days |
17 |
175-3471
|
Squeegee strap rear 28 inch |
$73.59
|
1 |
|
usually ships 10-13 days |
18 |
175-2180
|
Knob |
$6.49
|
2 |
|
ships same day |
19 |
175-5297
|
Squeegee wheel bracket |
$34.54
|
2 |
|
usually ships 10-13 days |
20 |
175-5298
|
Squeegee wheel assembly |
$104.61
|
2 |
|
ships same day |
21 |
173-1595
|
Clevis pin (OBSOLETE) |
$4.88
|
2 |
|
usually ships 10-13 days |
22 |
175-6176
|
Cotter pin |
$3.30
|
2 |
|
ships same day |
23a |
175-2067
|
Squeegee blade 26 and 28 inch urethane front |
$99.66
|
1 |
|
ships same day |
23b |
991-9181
|
BLADE, SQ FRONT, 35"URE [700MM] |
$37.63
|
1 |
(NON-OEM) |
ships same day |
23c |
991-3178
|
Squeegee blade 26 and 28 inch PRIMOthane front |
$24.66
|
1 |
(NON-OEM) |
ships same day |
24a |
175-2068
|
Squeegee blade 26 and 28 inch urethane rear |
$122.32
|
1 |
|
ships same day |
24b |
991-9182
|
BLADE, SQ REAR, 37.5" URE [700MM] |
$45.53
|
1 |
(NON-OEM) |
ships same day |
KIT |
275-2440
|
Squeegee kit |
$1,499.74
|
1 |
|
usually ships 10-13 days |
KITa |
175-3476
|
Squeegee blade 26 & 28 in kit rear gum rubber/front linatex |
$81.95
|
1 |
|
usually ships 10-13 days |
KITb |
991-1921
|
28 inch squeegee blade kit gum rubber |
$30.17
|
1 |
(NON-OEM) |
usually ships 18-24 days |
KIT |
175-3475
|
Squeegee blade 26 and 28 inch kit urethane |
$181.17
|
1 |
|
ships same day |