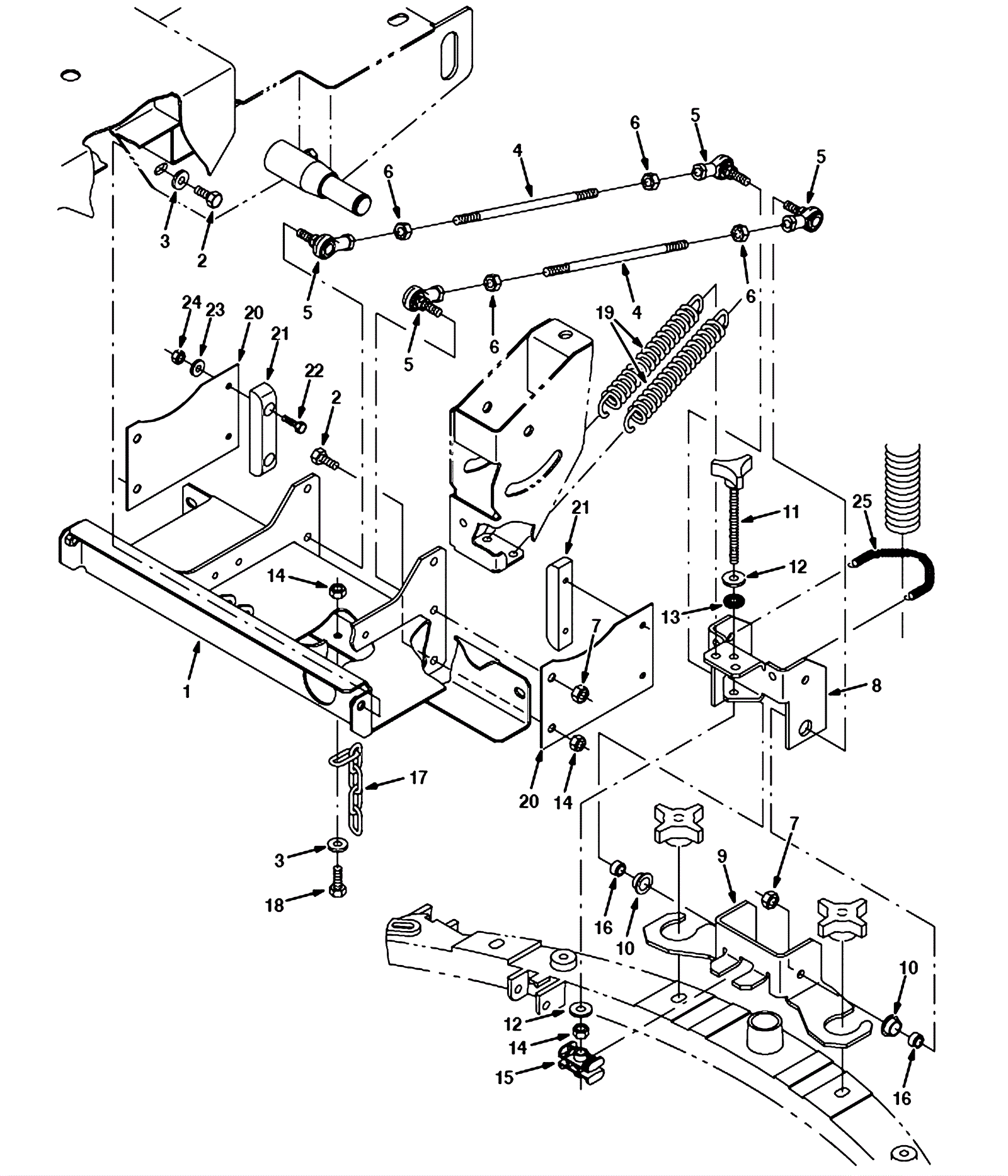
# | Part | Description | Price | Req | Notes | Availability |
1 |
175-5300
|
Squeegee linkage frame weldment |
$169.41
|
1 |
|
usually ships 1-5 days |
2 |
999-0499
|
Bolt M8-1.25 x 20mm hex head full thread stainless steel |
$1.85
|
6 |
|
ships same day |
3 |
999-9097
|
Washer M8 flat stainless steel |
$0.99
|
5 |
|
ships same day |
4 |
175-3457
|
2 End rod thread 3/8-24 |
$34.21
|
2 |
|
usually ships 10-13 days |
5 |
175-3321
|
Rod end right side |
$45.76
|
4 |
|
usually ships 10-13 days |
6 |
999-0169
|
Nut 3/8-24 hex jam plain finish |
$0.99
|
8 |
|
ships same day |
7 |
175-3322
|
Nut 3/8-24 hex lock |
$5.94
|
4 |
|
usually ships 10-13 days |
8 |
175-5301
|
Squeegee upper channel |
$56.10
|
1 |
|
usually ships 10-13 days |
9 |
175-5302
|
Squeegee lower channel |
$55.00
|
1 |
|
usually ships 10-13 days |
10 |
175-3460
|
Flanged bushing |
$11.55
|
2 |
|
usually ships 10-13 days |
11 |
175-3461
|
Knob |
$31.79
|
1 |
|
usually ships 10-13 days |
12 |
999-0355
|
Washer 3/8 x 7/8 SAE flat stainless steel |
$0.99
|
2 |
|
ships same day |
13 |
175-2896
|
Washer 5/16 |
$4.49
|
1 |
|
usually ships 10-13 days |
14 |
999-0496
|
Nut M8-1.25 nylon insert lock stainless steel |
$1.34
|
4 |
|
ships same day |
15 |
175-2301
|
Squeegee adjustment block |
$14.08
|
1 |
|
usually ships 10-13 days |
16 |
175-2814
|
Spacer |
$6.49
|
2 |
|
usually ships 10-13 days |
17 |
175-5303
|
Coil link chain |
$8.25
|
1 |
|
usually ships 1-5 days |
18 |
999-0501
|
Bolt M8-1.25 x 25mm hex head full thread stainless steel |
$2.64
|
1 |
|
ships same day |
19 |
175-2370
|
Extension spring |
$10.78
|
2 |
|
ships same day |
20 |
175-3462
|
Centering spring plate |
$27.28
|
2 |
|
usually ships 1-5 days |
21 |
175-3463
|
Centering block (OBSOLETE) |
$27.61
|
2 |
|
usually ships 10-13 days |
22 |
999-1087
|
Bolt M6-1 x 25mm hex head stainless steel |
$0.99
|
4 |
|
ships same day |
23 |
999-0335
|
Washer 1/4 x 5/8 SAE flat stainless steel |
$0.99
|
4 |
|
ships same day |
24 |
999-0497
|
Nut M6-1 nylon insert lock stainless steel |
$0.99
|
4 |
|
ships same day |
25 |
275-2439
|
Spring (OBSOLETE) |
$5.50
|
1 |
|
usually ships 1-5 days |