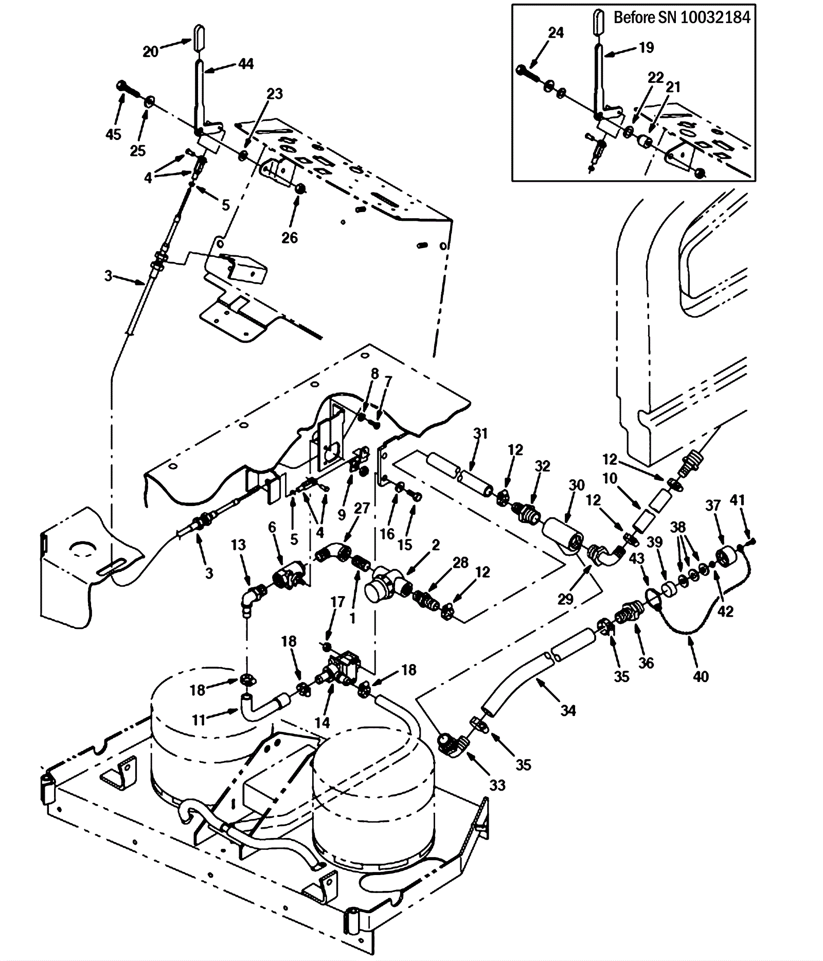
# | Part | Description | Price | Req | Notes | Availability |
1 |
275-4209
|
FITTING, BRS, STR, PM08/PM08 (Tennant Industrial) |
$35.24
|
1 |
|
usually ships 10-13 days |
2 |
275-2421
|
Solution filter (OBSOLETE) |
$10.34
|
1 |
|
usually ships 1-5 days |
3 |
175-3423
|
Push/Pull cable |
$103.07
|
1 |
|
usually ships 10-13 days |
4 |
175-3424
|
Clevis 10-32 adjustment |
$16.06
|
2 |
|
usually ships 10-13 days |
5 |
999-0460
|
Nut 10-32 hex |
$0.99
|
2 |
|
ships same day |
6 |
175-3425
|
Manual valve |
$125.18
|
1 |
|
usually ships 10-13 days |
7 |
999-0409
|
Screw 10-24 x 3/8 pan head slotted zinc plated |
$0.99
|
2 |
|
ships same day |
8 |
999-0089
|
Washer #10 internal star lock zinc plated |
$0.99
|
2 |
|
ships same day |
9 |
175-3426
|
Water valve arm |
$28.93
|
1 |
|
usually ships 10-13 days |
10 |
175-3427
|
Vinyl hose |
$64.02
|
1 |
|
usually ships 1-5 days |
11 |
175-3428
|
Solution hose |
$19.14
|
1 |
|
usually ships 1-5 days |
12 |
175-0199
|
Hose clamp |
$7.15
|
4 |
|
usually ships 10-13 days |
13 |
175-3430
|
Plastic fitting |
$6.49
|
1 |
|
usually ships 10-13 days |
14a |
175-3431
|
Solenoid valve |
$102.85
|
1 |
|
ships same day |
14b |
175-8698
|
Solenoid valve rebuild kit (internal parts) |
$124.19
|
1 |
|
ships same day |
15 |
999-0507
|
Bolt M6-1 x 16mm hex head full thread plain finish |
$0.99
|
2 |
|
ships same day |
16 |
999-0335
|
Washer 1/4 x 5/8 SAE flat stainless steel |
$0.99
|
2 |
|
ships same day |
17 |
999-0497
|
Nut M6-1 nylon insert lock stainless steel |
$0.99
|
2 |
|
ships same day |
18 |
175-6081
|
Hose clamp |
$4.84
|
3 |
|
ships same day |
19 |
175-3438
|
Solution flow lever |
$47.96
|
1 |
(before SN 10032184) |
usually ships 1-5 days |
20 |
175-2166
|
Handle grip |
$5.50
|
1 |
|
usually ships 10-13 days |
21 |
175-3434
|
Lever sleeve |
$16.61
|
1 |
(before SN 10032184) |
usually ships 1-5 days |
22 |
175-3354
|
Thrust washer |
$10.67
|
1 |
(before SN 10032184) |
usually ships 10-13 days |
23 |
175-3435
|
Washer 25/64 x 3/4d x 1/16 nylon |
$4.49
|
1 |
|
usually ships 1-5 days |
24 |
175-3436
|
Bolt 8mm-1.25 x 40mm hex head |
$4.49
|
1 |
(before SN 10032184) |
usually ships 1-5 days |
25 |
999-0549
|
Washer 5/16 x 3/4 SAE flat stainless steel |
$0.99
|
1 |
|
ships same day |
26 |
999-0471
|
Nut M8-1.25 nylon insert lock zinc plated |
$0.99
|
1 |
|
ships same day |
27 |
275-2422
|
Pipe fitting (Tennant Industrial) |
$15.67
|
1 |
|
usually ships 10-13 days |
28 |
275-4219
|
FITTING, PLSTC, STR, BM10/PM08 (Tennant Industrial) |
$9.84
|
1 |
|
usually ships 10-13 days |
29 |
175-5256
|
Plastic fitting |
$8.25
|
1 |
|
usually ships 10-13 days |
30 |
175-0664
|
Plastic tee fitting |
$18.48
|
1 |
|
usually ships 1-5 days |
31 |
275-2423
|
Hose |
$48.07
|
1 |
|
usually ships 10-13 days |
32 |
175-9666
|
Plastic fitting |
$6.27
|
1 |
|
usually ships 1-5 days |
33 |
175-9679
|
90 degree plastic elbow |
$6.49
|
1 |
|
usually ships 10-13 days |
34 |
275-6246
|
PVC braided hose 3/4 x 48 inch |
$73.15
|
1 |
|
usually ships 1-5 days |
35 |
175-0199
|
Hose clamp |
$7.15
|
2 |
|
usually ships 10-13 days |
36 |
175-0680
|
Strain plastic fitting |
$8.25
|
1 |
|
ships same day |
37 |
175-5632
|
3/4 inch plastic cap with hole |
$61.27
|
1 |
|
usually ships 1-5 days |
38 |
N/A
|
Not available |
Call for price
|
3 |
Washer |
usually ships 3-26 days |
39 |
175-5631
|
Drain cap seal |
$12.87
|
1 |
|
usually ships 1-5 days |
40 |
175-5129
|
Ball chain #10 stainless steel |
$5.28
|
1 |
|
usually ships 10-13 days |
41 |
999-0521
|
Screw M4-.7 x 12mm pan head phillips zinc |
$2.31
|
1 |
|
ships same day |
42 |
999-0954
|
Nut M4-.7 nylon insert lock stainless steel |
$0.99
|
1 |
|
ships same day |
43 |
175-0921
|
Wire tie |
$5.28
|
1 |
|
usually ships 10-13 days |
44 |
175-3438
|
Solution flow lever |
$47.96
|
1 |
(after SN 10032185) |
usually ships 1-5 days |
45 |
999-0581
|
Bolt M8-1.25 x 25mm hex head full thread zinc |
$0.99
|
1 |
(after SN 10032185) |
ships same day |