| # | Part | Description | Price | Req | Notes | Availability |
N/S |
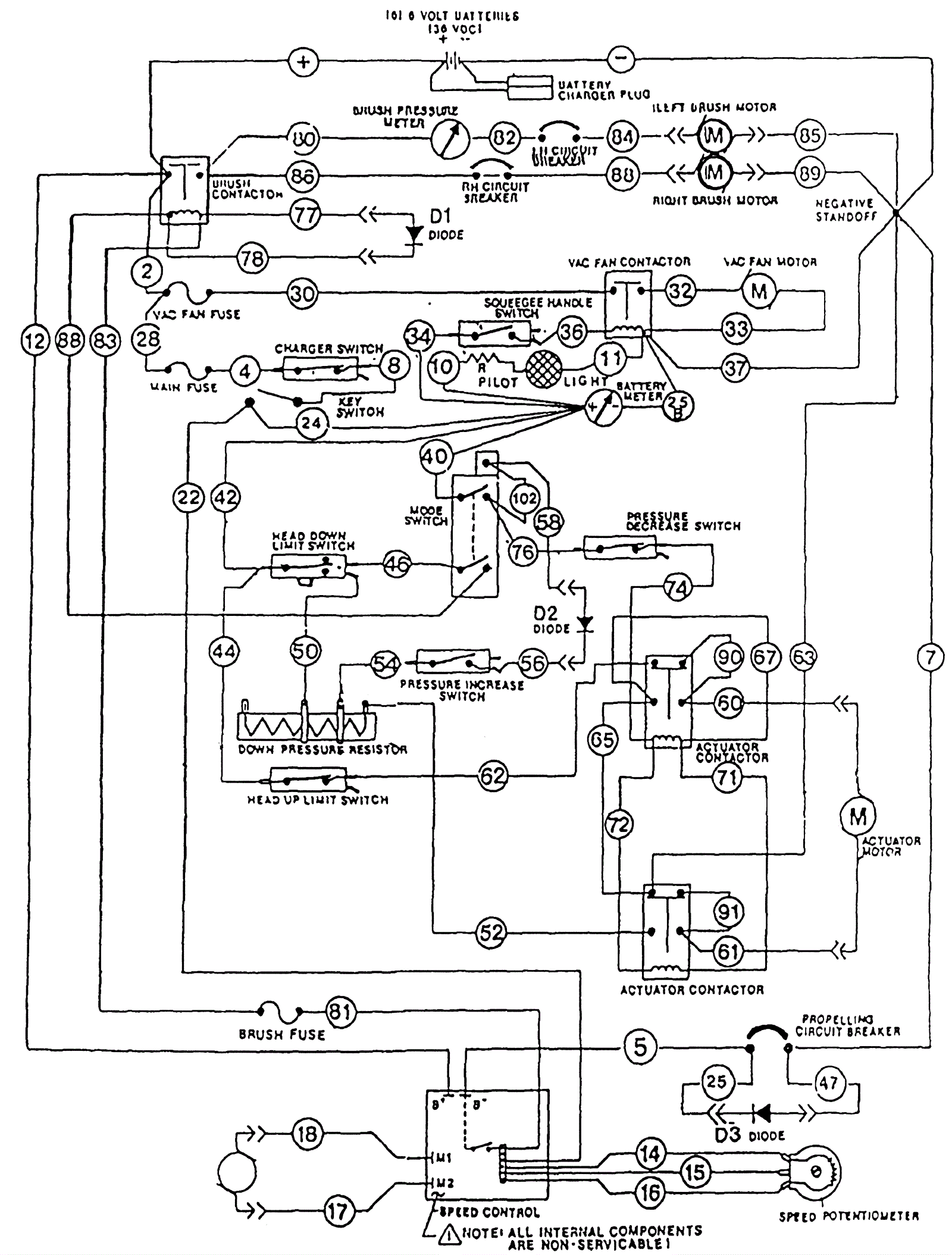
175-1347
|
Main wire assembly (OBSOLETE) |
$187.00
|
1 |
|
usually ships 1-5 days |
N/S |
175-5193
|
Brush/pad circuit wire assembly (OBSOLETE) |
$47.63
|
1 |
|
usually ships 1-5 days |
N/S |
175-5194
|
Diode (pkg of 2) |
$16.39
|
3 |
|
usually ships 1-5 days |
N/S |
175-5195
|
Brush fuse |
$4.88
|
|
|
usually ships 1-5 days |