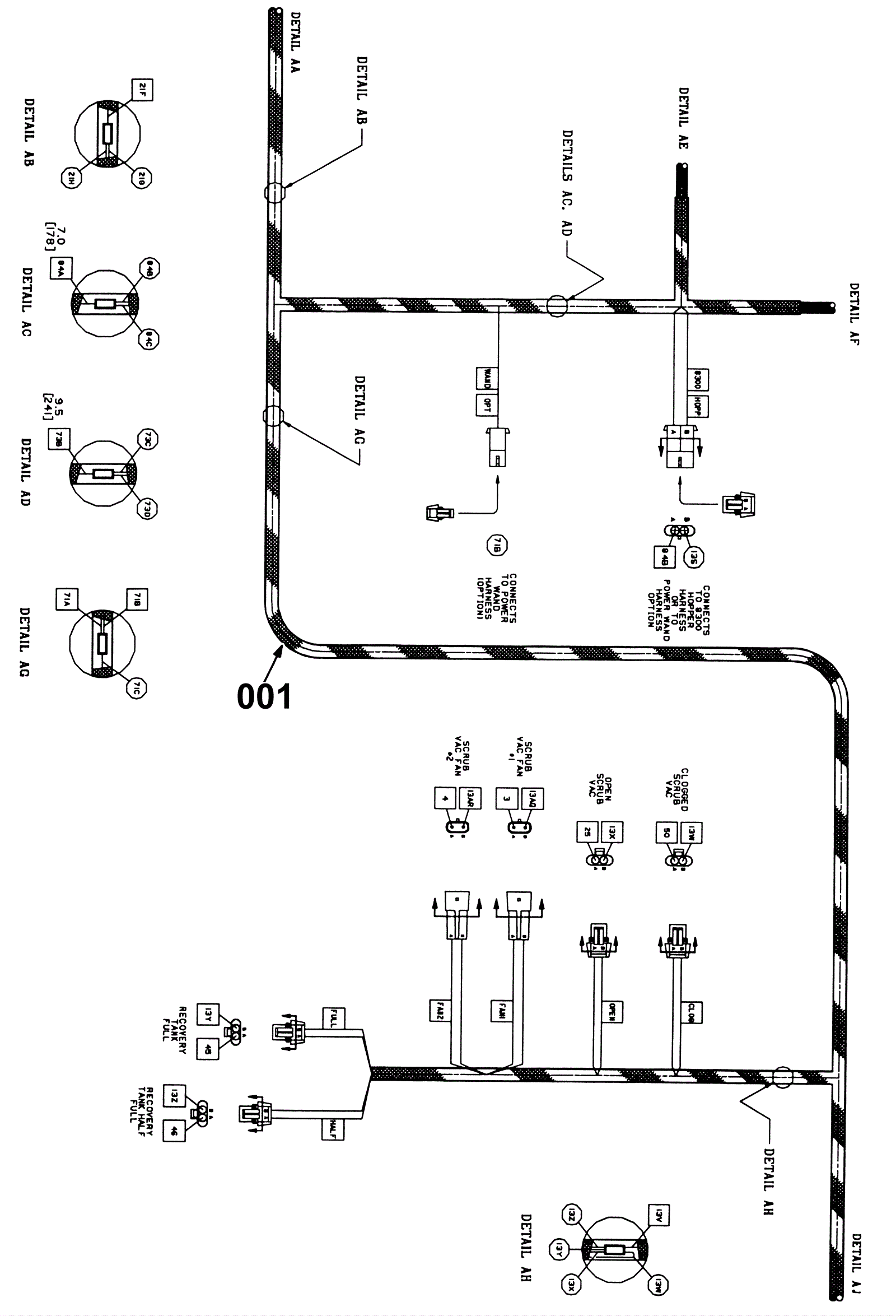
Main Wire Harness Group 5
Click to enlarge