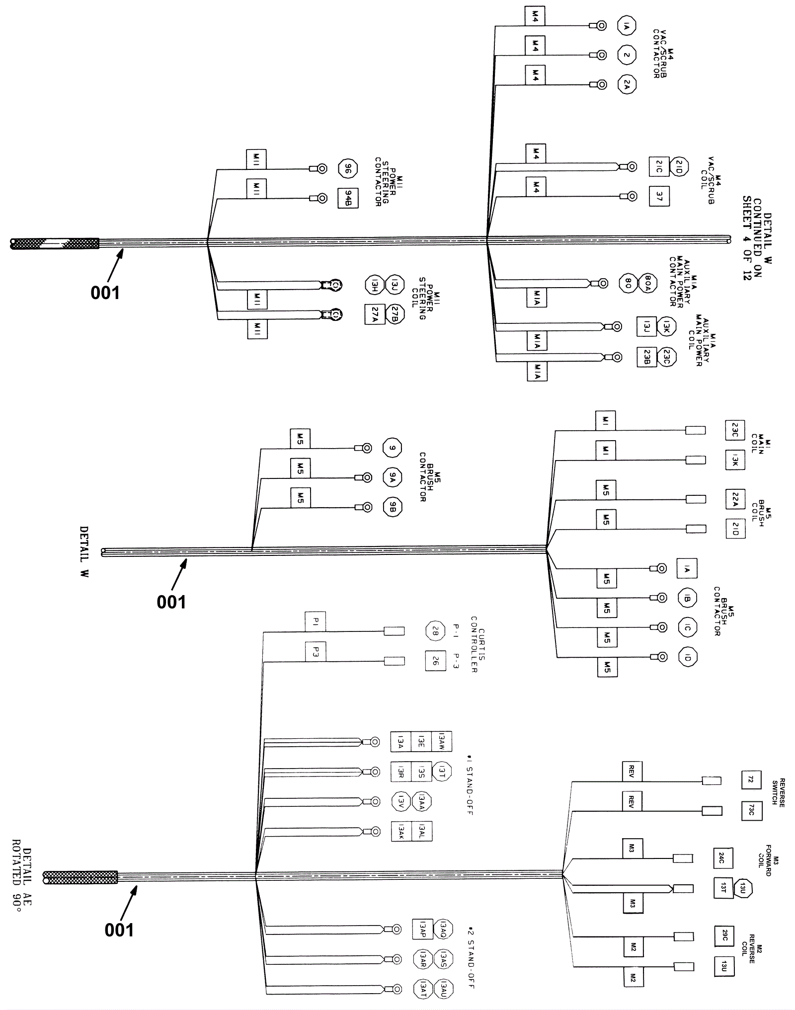
Main Wire Harness Group 4
Click to enlarge
#
Part
Description
Price
Req
Notes
Availability
5
275-7935
Wire harness (Tennant Industrial)
$546.28
1
(after SN 002252 and before SN 003747)
usually ships 1-5 days