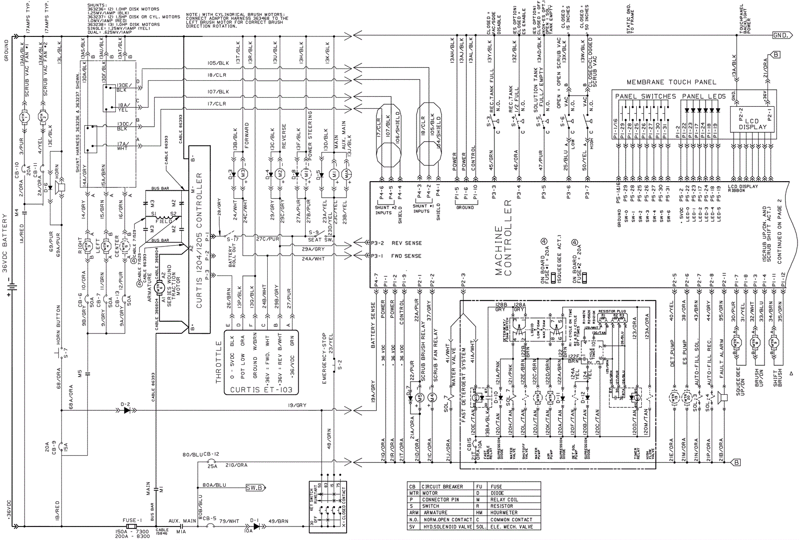
Electrical Schematic 1 - Before SN 003747
Click to enlarge