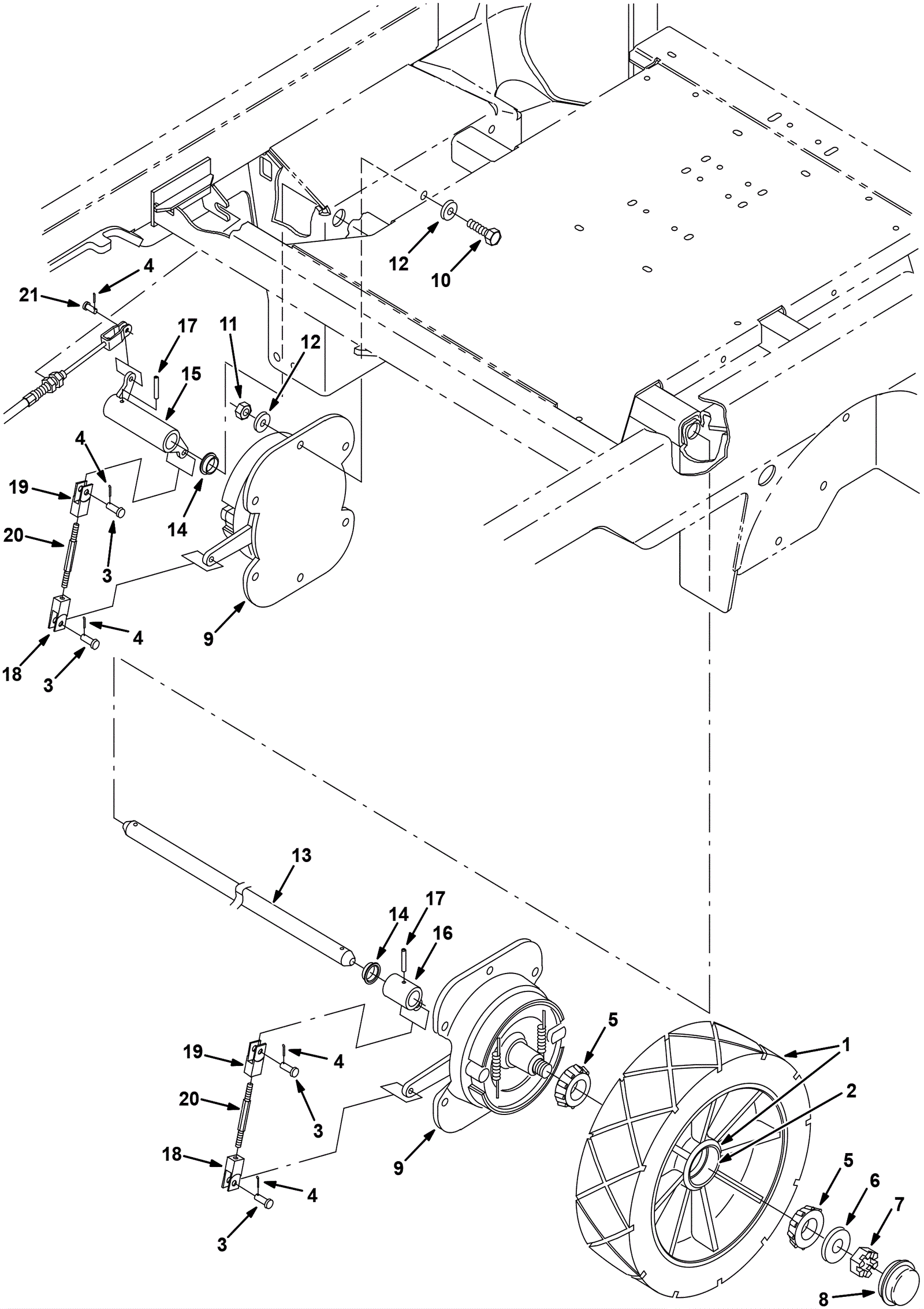
| # | Part | Description | Price | Req | Notes | Availability |
1a |
275-2457
|
Tire (black) (Tennant Industrial) |
$1,468.46
|
2 |
(includes 2) |
usually ships 10-13 days |
1b |
275-2458
|
16 inch polyurethane tire (gray) (Tennant Industrial) |
$2,751.55
|
2 |
(includes 2) (optional) |
usually ships 1-5 days |
1c |
275-5095
|
TIRE ASSY, NON-SKID, 16X5X12.12 (Tennant Industrial) |
$1,805.03
|
2 |
(includes 2) (optional) |
usually ships 10-13 days |
2 |
175-0636
|
BEARING, CUP, 2.56D 0.55W (Tennant Industrial) |
$19.17
|
2 |
|
usually ships 10-13 days |
3 |
175-0637
|
Clevis pin |
$4.49
|
4 |
|
usually ships 10-13 days |
4 |
175-6176
|
Cotter pin |
$3.30
|
5 |
|
ships same day |
5 |
175-0638
|
BEARING, CONE, 1.38B 0.71W (Tennant Industrial) |
$76.35
|
4 |
|
usually ships 10-13 days |
6 |
175-0639
|
WASHER, FLAT, 1.00, SAE (Tennant Industrial) |
$6.67
|
2 |
|
usually ships 1-5 days |
7 |
175-0640
|
NUT, HEX, SLTD, 1.00-20 (Tennant Industrial) |
$19.50
|
2 |
|
usually ships 1-5 days |
8 |
175-0641
|
CAP, HUB, DUST, 2.57D 0.77L (Tennant Industrial) |
$22.34
|
2 |
|
usually ships 1-5 days |
9a |
175-0642
|
BRAKE ASSY, DRUM, MECH, 07.9D [6600]] (Tennant Industrial) |
$999.53
|
2 |
(includes 9b-9e) |
usually ships 1-5 days |
9b |
175-0643
|
SHOE SET, BRAKE [1PICK=1PKG] (Tennant Industrial) |
$173.70
|
2 |
|
usually ships 1-5 days |
9c |
175-0644
|
VR, BRAKE KIT, REPAIR (Tennant Industrial) |
$195.87
|
1 |
|
usually ships 10-13 days |
9d |
175-0645
|
SHAFT (Tennant Industrial) |
$183.70
|
1 |
|
usually ships 1-5 days |
9e |
175-0646
|
SPRING (Tennant Industrial) |
$9.84
|
2 |
|
usually ships 1-5 days |
10 |
175-0647
|
SCREW, HEX, M12 X 1.75 X 40, 8.8 (Tennant Industrial) |
$6.67
|
12 |
|
usually ships 1-5 days |
11 |
999-0519
|
Nut M12-1.75 nylon insert lock stainless steel |
$3.85
|
12 |
|
ships same day |
12 |
999-0114
|
Washer 1/2 SAE flat |
$0.99
|
24 |
|
ships same day |
13 |
175-0648
|
SHAFT (Tennant Industrial) |
$251.55
|
1 |
|
usually ships 1-5 days |
14 |
175-0649
|
BUSHING, FLNG, 1.00B 1.13D 0.38L (Tennant Industrial) |
$29.84
|
2 |
|
usually ships 1-5 days |
15 |
275-7959
|
Right hand brake weldment (Tennant Industrial) |
$188.87
|
1 |
|
usually ships 1-5 days |
16 |
275-7960
|
Left hand brake weldment (Tennant Industrial) |
$97.19
|
1 |
|
usually ships 1-5 days |
17 |
175-2593
|
Roll pin |
$3.17
|
2 |
|
usually ships 1-5 days |
18 |
275-7961
|
Clevis pin (Tennant Industrial) |
$42.34
|
2 |
|
usually ships 1-5 days |
19 |
275-7962
|
Left hand clevis pin (Tennant Industrial) |
$42.34
|
2 |
|
usually ships 1-5 days |
20 |
175-0654
|
ROD, THRD (Tennant Industrial) |
$88.52
|
2 |
|
usually ships 1-5 days |
21 |
175-0655
|
Clevis pin |
$4.49
|
1 |
|
usually ships 10-13 days |