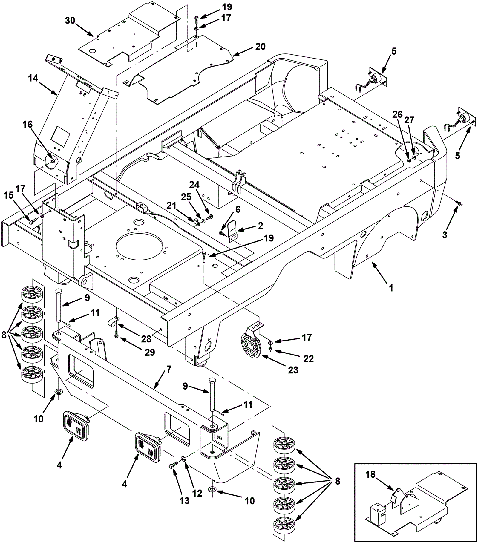
| # | Part | Description | Price | Req | Notes | Availability |
1a |
275-9051
|
FRAME WLDT, MAIN [7300/8300] (Tennant Industrial) |
$5,153.62
|
1 |
(before SN 005000) |
usually ships 1-5 days |
1b |
175-0521
|
Main weldment frame (gray) (Tennant Industrial) (OBSOLETE) |
$4,571.50
|
1 |
(after SN 004999) |
usually ships 1-5 days |
2a |
175-0522
|
PLATE, COVER (Tennant Industrial) |
$403.75
|
1 |
(before SN 005000) |
usually ships 1-5 days |
2b |
275-2451
|
Cover plate (iron gray) (Tennant Industrial) |
$23.05
|
1 |
(after SN 004999) |
usually ships 1-5 days |
3 |
175-0523
|
RIVET, PLSTC, .250D X 0.75 (Tennant Industrial) |
$5.50
|
24 |
|
usually ships 1-5 days |
4a |
175-0524
|
Headlight |
$287.21
|
2 |
(includes 4b) |
usually ships 10-13 days |
4b |
175-3165
|
Lamp |
$25.96
|
1 |
|
usually ships 10-13 days |
5a |
675-0389
|
TAILLIGHT, 12VDC, 3.6 X 1.9, RWK 1075205 (Tennant Industrial |
$192.21
|
2 |
(includes 5b-5c) |
usually ships 10-13 days |
5b |
175-0526
|
LAMP, 12VDC, 0.3A, 02CP [#194] (Tennant Industrial) |
$13.67
|
1 |
|
usually ships 1-5 days |
5c |
175-0527
|
LAMPHOLDER (Tennant Industrial) |
$37.01
|
1 |
|
usually ships 1-5 days |
6 |
999-0502
|
Bolt M6-1 x 20mm hex head full thread zinc |
$0.99
|
2 |
|
ships same day |
7a |
175-0528
|
BUMPER WLDT (Tennant Industrial) |
$971.94
|
1 |
(before SN 005000) |
usually ships 1-5 days |
7b |
275-2452
|
Bumper weldment (iron gray) (Tennant Industrial) |
$938.85
|
1 |
(after SN 004999) |
usually ships 1-5 days |
8 |
175-0529
|
Wheel |
$10.67
|
10 |
|
usually ships 10-13 days |
9 |
175-0530
|
PIN, CLEVIS, 0.75D X 6.50L (Tennant Industrial) |
$77.68
|
2 |
|
usually ships 1-5 days |
10 |
999-0630
|
Washer 3/4 SAE flat |
$0.99
|
2 |
|
ships same day |
11 |
175-0532
|
Cotter pin |
$5.67
|
2 |
|
ships same day |
12 |
999-0355
|
Washer 3/8 x 7/8 SAE flat stainless steel |
$0.99
|
8 |
|
ships same day |
13 |
999-0499
|
Bolt M8-1.25 x 20mm hex head full thread stainless steel |
$1.85
|
8 |
|
ships same day |
14a |
175-0533
|
CHANNEL WLDT, STEERING (Tennant Industrial) (OBSOLETE) |
$172.38
|
1 |
(before SN 005000) |
usually ships 1-5 days |
14b |
275-2453
|
Channel weldment (iron gray) (Tennant Industrial) |
$336.57
|
1 |
(after SN 004999) |
usually ships 1-5 days |
15 |
999-0499
|
Bolt M8-1.25 x 20mm hex head full thread stainless steel |
$1.85
|
5 |
|
ships same day |
16 |
999-0471
|
Nut M8-1.25 nylon insert lock zinc plated |
$0.99
|
5 |
|
ships same day |
17 |
999-0024
|
Washer 5/16 flat stainless steel |
$1.34
|
12 |
|
ships same day |
18 |
175-0534
|
T3026 WLDT, FLOOR (Tennant Industrial) (OBSOLETE) |
$604.63
|
1 |
(before SN 001947) |
usually ships 1-5 days |
19 |
999-0783
|
Screw M8-1.25 x 16mm hex head |
$0.99
|
12 |
|
ships same day |
20a |
175-0535
|
PLATE, FLOOR, UPPER (Tennant Industrial) |
$190.38
|
1 |
(before SN 005000) |
usually ships 1-5 days |
20b |
275-2454
|
Upper floor plate (iron gray) (Tennant Industrial) |
$81.33
|
1 |
(after SN 004999) |
usually ships 1-5 days |
21 |
175-3168
|
P clamp |
$5.28
|
1 |
|
usually ships 10-13 days |
22 |
999-0665
|
Nut M8-1.25 flange lock |
$0.99
|
2 |
|
ships same day |
23 |
175-3160
|
Horn |
$116.38
|
1 |
|
usually ships 10-13 days |
24 |
175-0536
|
Bolt M6-1 x 20mm hex head thread forming |
$4.49
|
1 |
|
ships same day |
25 |
999-0335
|
Washer 1/4 x 5/8 SAE flat stainless steel |
$0.99
|
1 |
|
ships same day |
26 |
999-0460
|
Nut 10-32 hex |
$0.99
|
4 |
|
ships same day |
27 |
999-0089
|
Washer #10 internal star lock zinc plated |
$0.99
|
4 |
|
ships same day |
28 |
175-3168
|
P clamp |
$5.28
|
2 |
|
usually ships 10-13 days |
29 |
175-3166
|
Bolt M6-1 x 16mm hex head |
$5.28
|
2 |
|
usually ships 10-13 days |
30a |
275-8293
|
PLATE, FLOOR (Tennant Industrial) |
$252.55
|
1 |
(between SN 001947 and SN 004999) |
usually ships 1-5 days |
30b |
275-9281
|
Floor plate (iron gray) (Tennant Industrial) |
$69.81
|
1 |
(after SN 004999) |
usually ships 1-5 days |