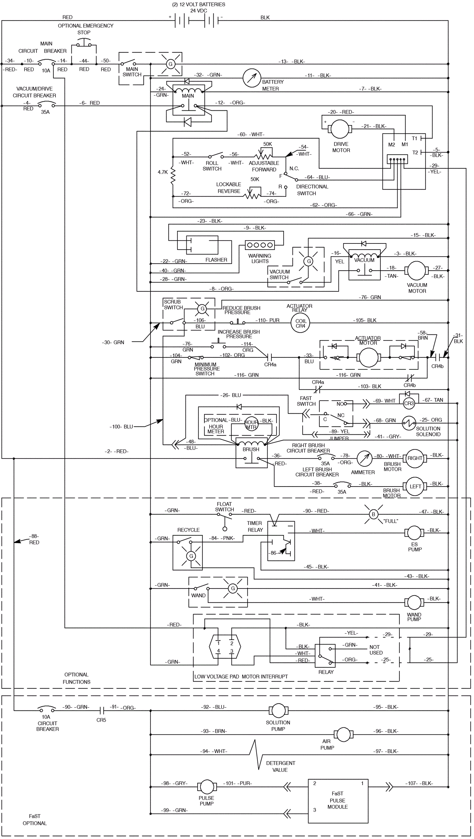
Wiring Diagram 2
Click to enlarge