| # | Part | Description | Price | Req | Notes | Availability |
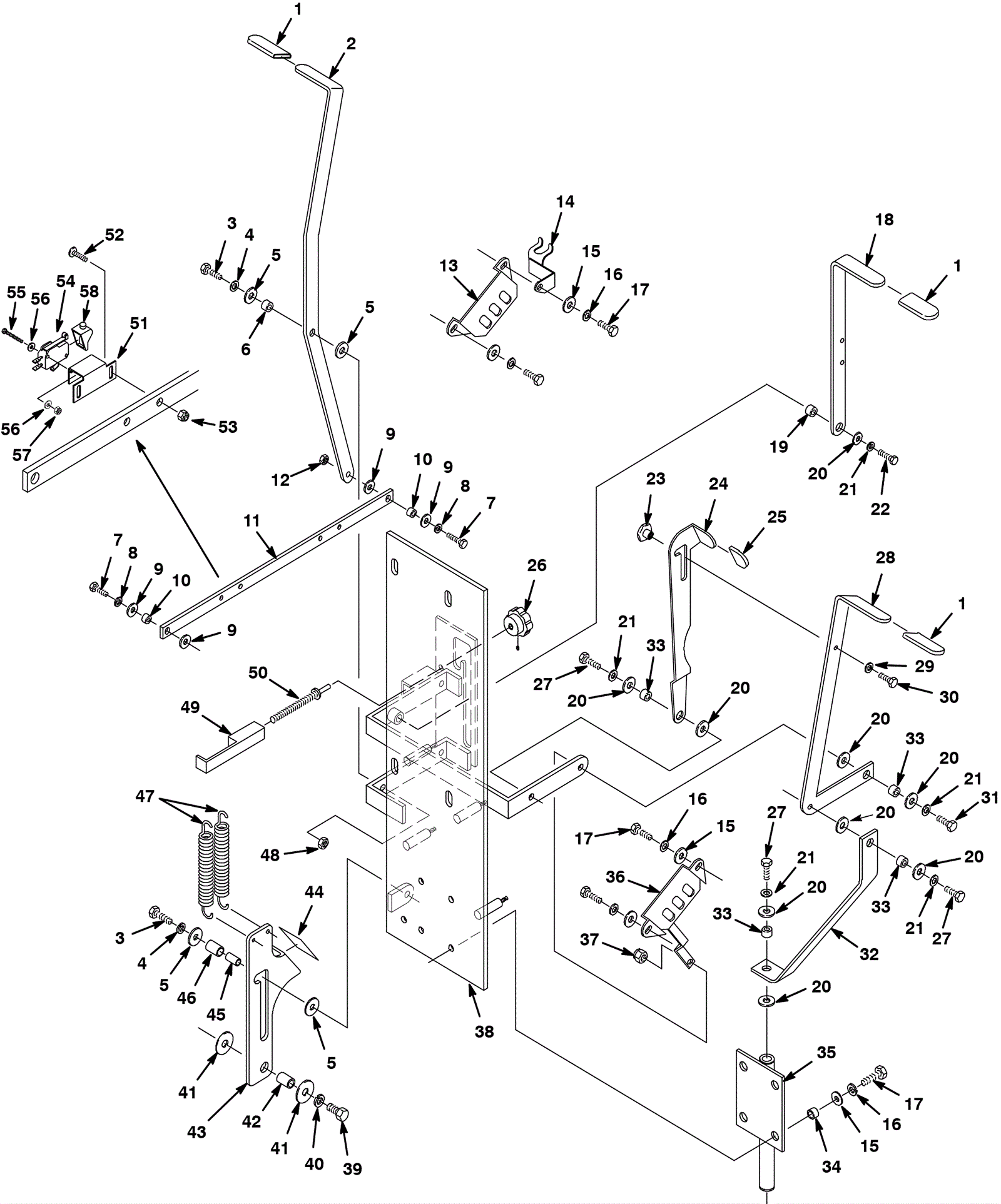
1 |
175-2723
|
Handle grip (rubber) |
$6.49
|
3 |
|
ships same day |
2a |
175-2724
|
Valve handle - standard |
$37.02
|
1 |
|
usually ships 1-5 days |
2b |
275-5742
|
Valve handle - FaST |
$51.37
|
1 |
|
usually ships 1-5 days |
3 |
999-0562
|
Bolt 3/8-16 x 1 hex head stainless steel |
$1.50
|
2 |
|
ships same day |
4 |
999-0034
|
Washer 3/8 split lock plain finish |
$1.82
|
2 |
|
ships same day |
5 |
999-0617
|
Washer 3/8 x 1 flat stainless steel |
$1.82
|
4 |
|
ships same day |
6 |
175-2725
|
Bushing |
$8.03
|
1 |
|
usually ships 10-13 days |
7 |
999-0076
|
Bolt 1/2-20 x 1 hex head grade 5 plain finish |
$1.76
|
2 |
|
ships same day |
8 |
999-0632
|
Washer 1/4 split lock stainless steel |
$0.99
|
2 |
|
ships same day |
9 |
999-0016
|
Washer 1/4 flat plain finish |
$0.99
|
4 |
|
ships same day |
10 |
175-2726
|
Sleeved bushing |
$5.15
|
2 |
|
usually ships 10-13 days |
11a |
175-2727
|
Valve lever - standard |
$38.39
|
1 |
|
usually ships 1-5 days |
11b |
275-5743
|
Valve lever - FaST |
$70.51
|
1 |
|
usually ships 10-13 days |
12 |
999-0181
|
Nut 1/4-20 hex jam plain finish |
$0.99
|
1 |
|
ships same day |
13 |
175-2728
|
Locking plate |
$53.13
|
1 |
|
usually ships 1-5 days |
14 |
175-2729
|
Hose hanger bracket |
$42.35
|
1 |
|
usually ships 1-5 days |
15 |
999-0024
|
Washer 5/16 flat stainless steel |
$1.34
|
8 |
|
ships same day |
16 |
999-0553
|
Washer 5/16 medium split lock stainless steel |
$0.99
|
8 |
|
ships same day |
17 |
999-0900
|
Screw M8-1.25 x 18mm hex head stainless steel |
$2.64
|
8 |
|
ships same day |
18 |
175-2730
|
Brush pressure handle (OBSOLETE) |
$27.17
|
1 |
|
usually ships 1-5 days |
19 |
175-2731
|
Bushing |
$8.14
|
1 |
|
usually ships 10-13 days |
20 |
999-0617
|
Washer 3/8 x 1 flat stainless steel |
$1.82
|
9 |
|
ships same day |
21 |
999-0034
|
Washer 3/8 split lock plain finish |
$1.82
|
5 |
|
ships same day |
22 |
999-0812
|
Screw 3/8-16 x 7/8 hex head grade 5 plain finish |
$0.99
|
1 |
|
ships same day |
23 |
175-2732
|
Squeegee lift spacer |
$27.50
|
1 |
|
usually ships 10-13 days |
24 |
175-2733
|
Squeegee handle latch |
$85.47
|
1 |
|
usually ships 10-13 days |
25 |
175-2734
|
Handle grip |
$5.83
|
1 |
|
usually ships 10-13 days |
26 |
175-2735
|
Height adjustment knob |
$18.04
|
1 |
|
usually ships 10-13 days |
27 |
999-0493
|
Bolt 3/8-16 x 3/4 hex head stainless steel |
$0.99
|
3 |
|
ships same day |
28 |
175-2736
|
Squeegee lever handle |
$40.48
|
1 |
|
usually ships 1-5 days |
29 |
999-0632
|
Washer 1/4 split lock stainless steel |
$0.99
|
1 |
|
ships same day |
30 |
999-0633
|
Bolt 1/4-20 x 5/8 hex head stainless steel |
$0.99
|
1 |
|
ships same day |
31 |
999-0350
|
Bolt 3/8-16 x 1 1/2 hex head grade 5 zinc plated |
$0.99
|
1 |
|
ships same day |
32 |
175-2737
|
Squeegee handle linkage |
$63.25
|
1 |
|
usually ships 1-5 days |
33 |
175-2725
|
Bushing |
$8.03
|
4 |
|
usually ships 10-13 days |
34 |
175-2739
|
Bushing (OBSOLETE) |
$5.50
|
4 |
|
usually ships 10-13 days |
35 |
175-2740
|
Squeegee mounting bracket |
$106.99
|
1 |
|
usually ships 1-5 days |
36 |
175-2741
|
Plate |
$91.30
|
1 |
|
usually ships 1-5 days |
37 |
999-0513
|
Nut 3/8-16 nylon insert lock type NE stainless steel |
$3.96
|
1 |
|
ships same day |
38 |
175-2742
|
Rear weldment panel |
$381.43
|
1 |
|
usually ships 1-5 days |
39 |
999-0561
|
Bolt 1/2-13 x 1 hex head stainless steel |
$3.28
|
1 |
|
ships same day |
40 |
999-0126
|
Washer 1/2 split lock |
$1.28
|
1 |
|
ships same day |
41 |
999-0559
|
Washer 1/2 x 1/4 flat stainless steel |
$0.99
|
2 |
|
ships same day |
42 |
175-2743
|
Sleeved bushing |
$5.15
|
1 |
|
usually ships 10-13 days |
43 |
175-2744
|
Brush lift pedal latch |
$77.02
|
1 |
|
usually ships 1-5 days |
44 |
175-2745
|
Non-slip pad |
$8.14
|
1 |
|
usually ships 10-13 days |
45 |
175-2725
|
Bushing |
$8.03
|
1 |
|
usually ships 10-13 days |
46 |
175-2747
|
Bushing |
$5.15
|
1 |
|
usually ships 10-13 days |
47 |
175-2748
|
Spring |
$18.26
|
2 |
|
ships same day |
48 |
999-0170
|
Nut 3/8-16 hex plain finish |
$0.99
|
1 |
|
ships same day |
49 |
175-2749
|
Valve contact block (OBSOLETE) |
$25.41
|
1 |
|
usually ships 1-5 days |
50 |
175-2750
|
Valve adjustment stop stud (OBSOLETE) |
$10.12
|
1 |
|
usually ships 1-5 days |
51 |
275-5744
|
Switch bracket |
$27.72
|
1 |
(FaST model only) |
usually ships 1-5 days |
52 |
999-0454
|
Screw 10-24 x 1/2 truss head phillips zinc plated |
$0.99
|
2 |
(FaST model only) |
ships same day |
53 |
999-0356
|
Nut 10-24 lock stainless steel |
$0.99
|
2 |
(FaST model only) |
ships same day |
54 |
N/A
|
Not available |
Call for price
|
1 |
(FaST model only) (snap action switch) |
usually ships 3-26 days |
55 |
175-1201
|
Screw M3 x 20mm pan head phillips |
$4.22
|
2 |
(FaST model only) |
usually ships 1-5 days |
56 |
999-1521
|
Washer M3 flat stainless steel |
$0.99
|
4 |
(FaST model only) |
ships same day |
57 |
999-1161
|
Nut M3-.5 hex nylock stainless steel |
$0.99
|
2 |
(FaST model only) |
ships same day |
58 |
175-4723
|
Switch boot |
$16.50
|
1 |
(FaST model only) |
usually ships 10-13 days |