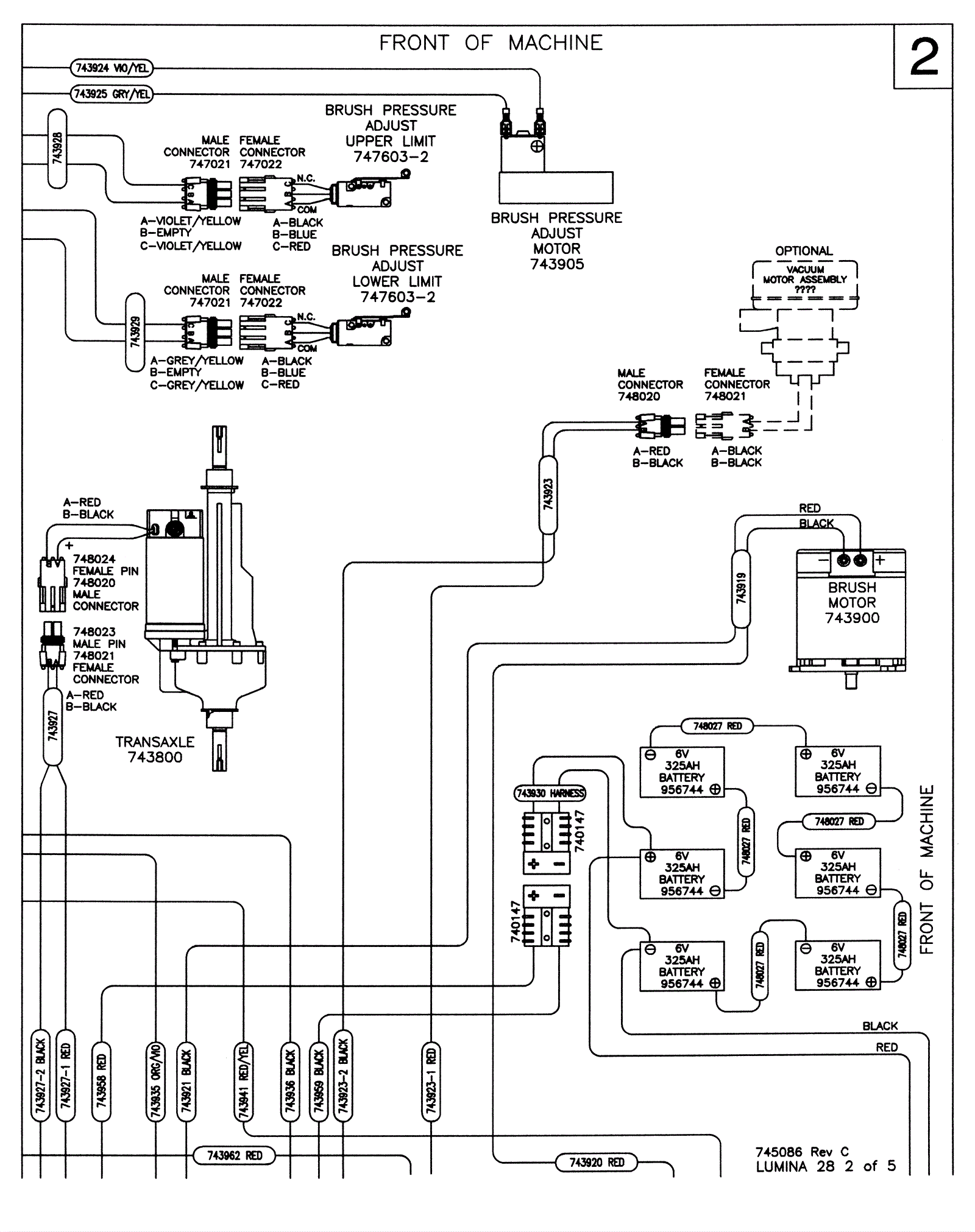
Electrical Schematic 2
Click to enlarge