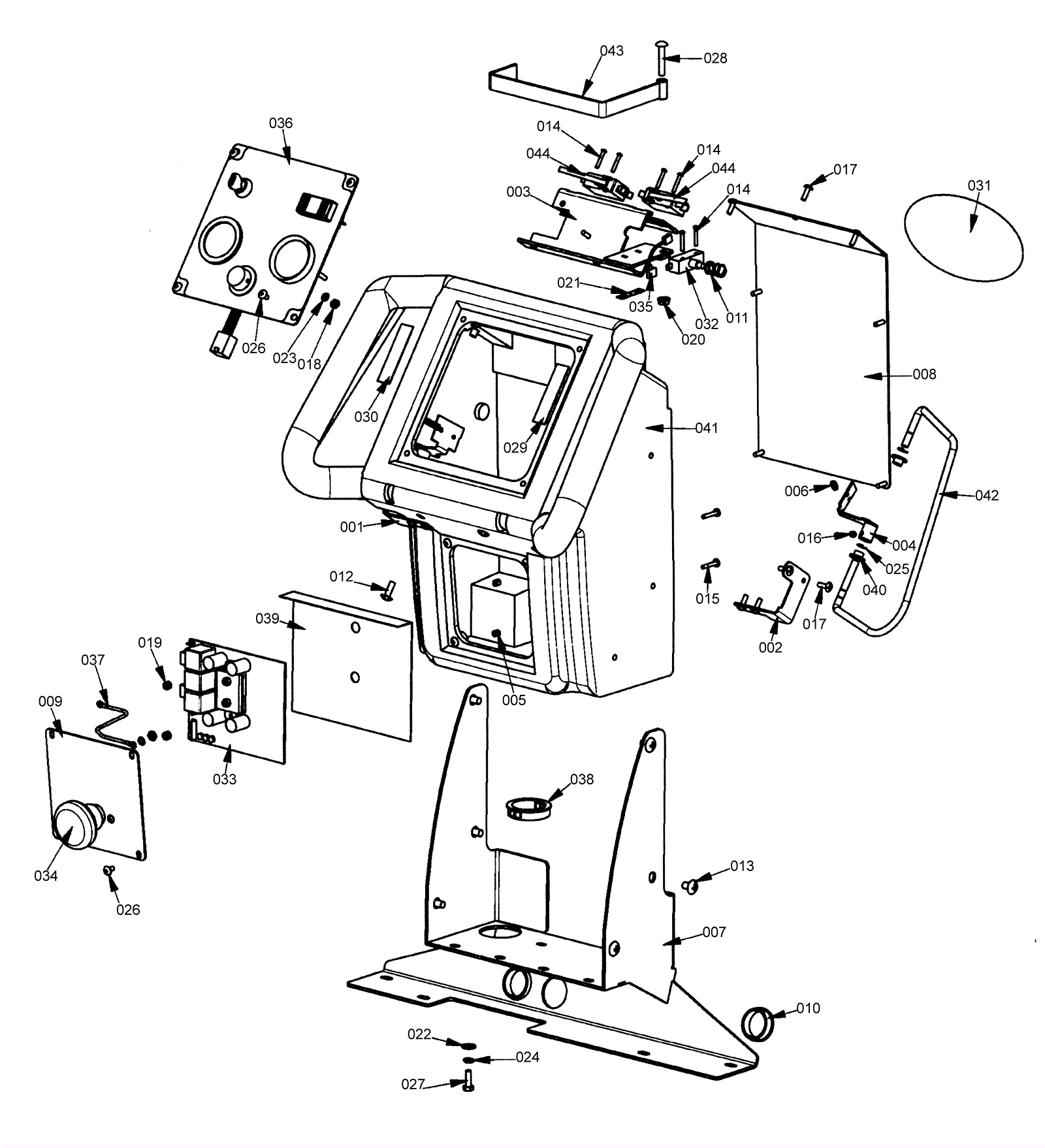
Console Assembly
Click to enlarge