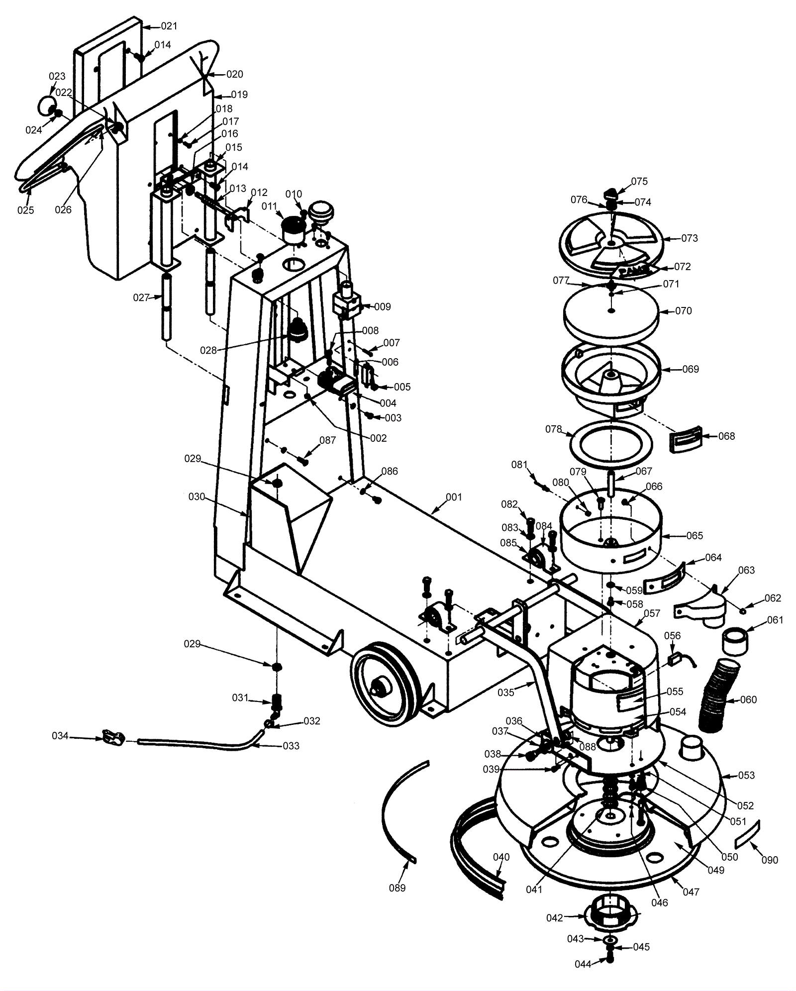
Mainframe Assembly
Click to enlarge