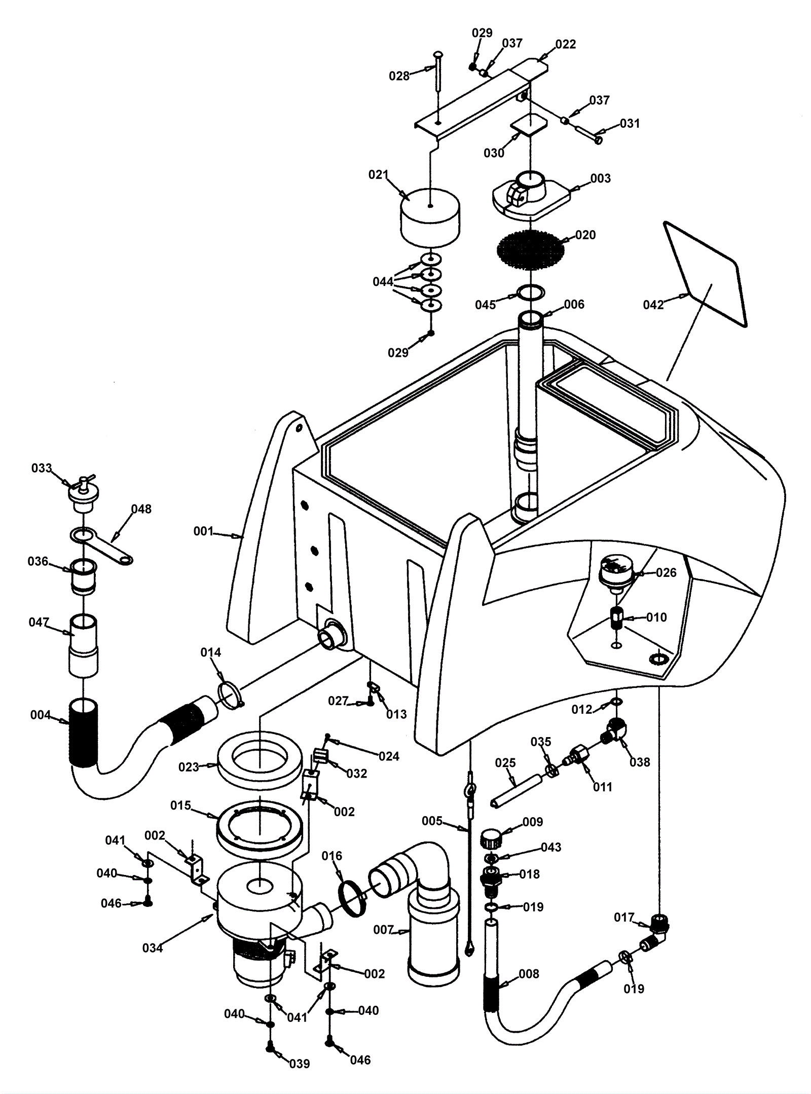
Tank Assembly
Click to enlarge