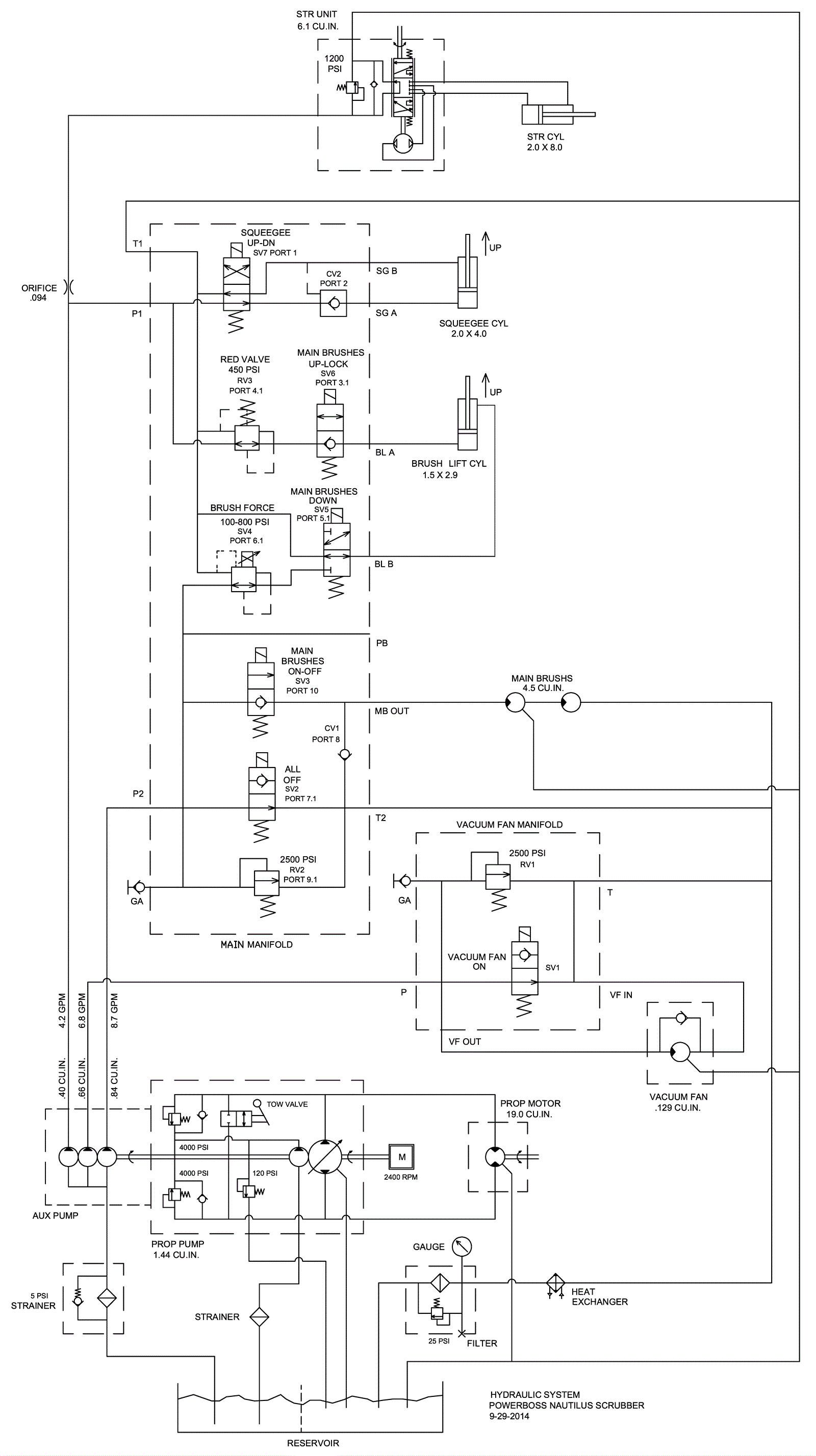
Hydraulic System Layout-1
Click to enlarge