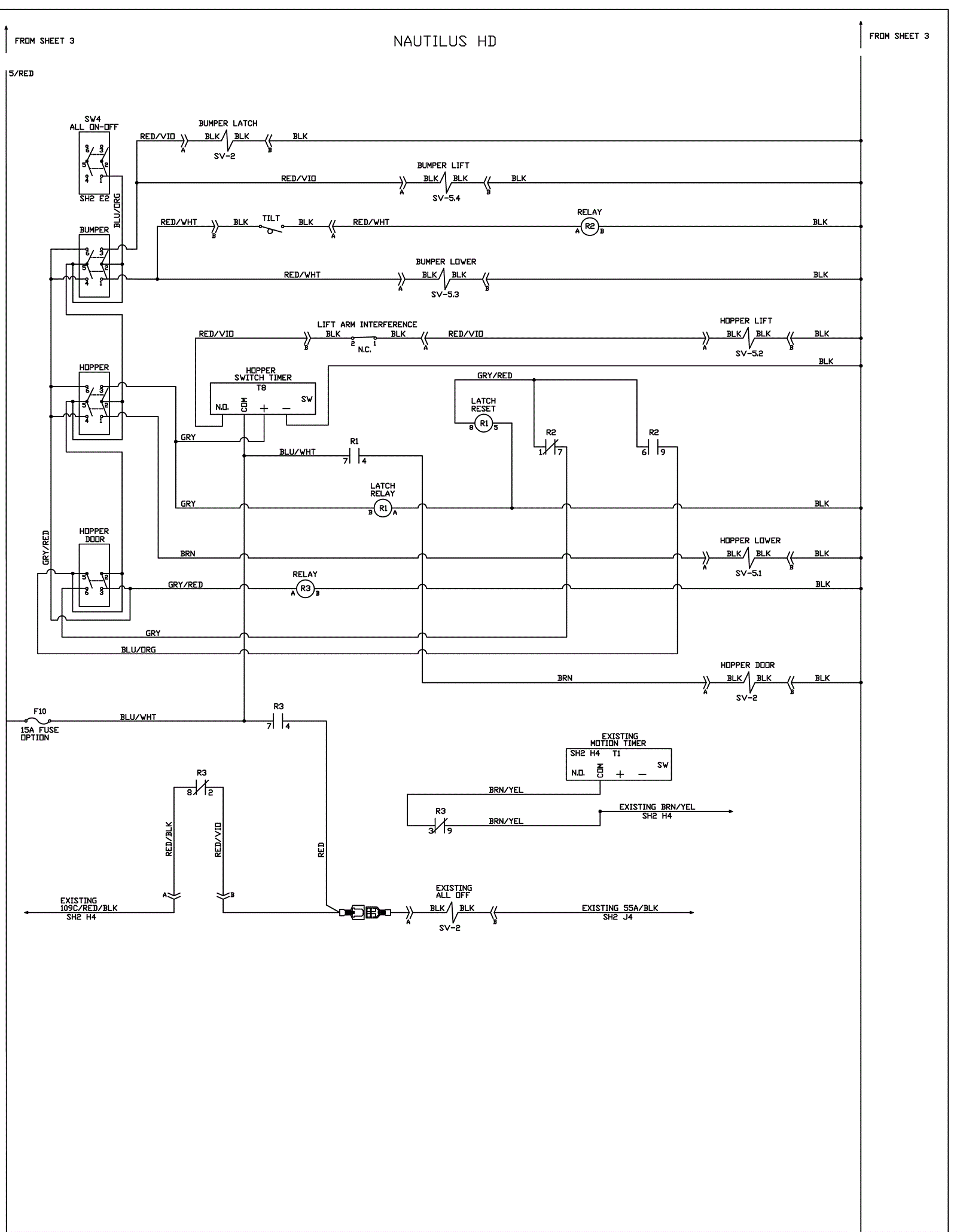
Electrical Schematic-4