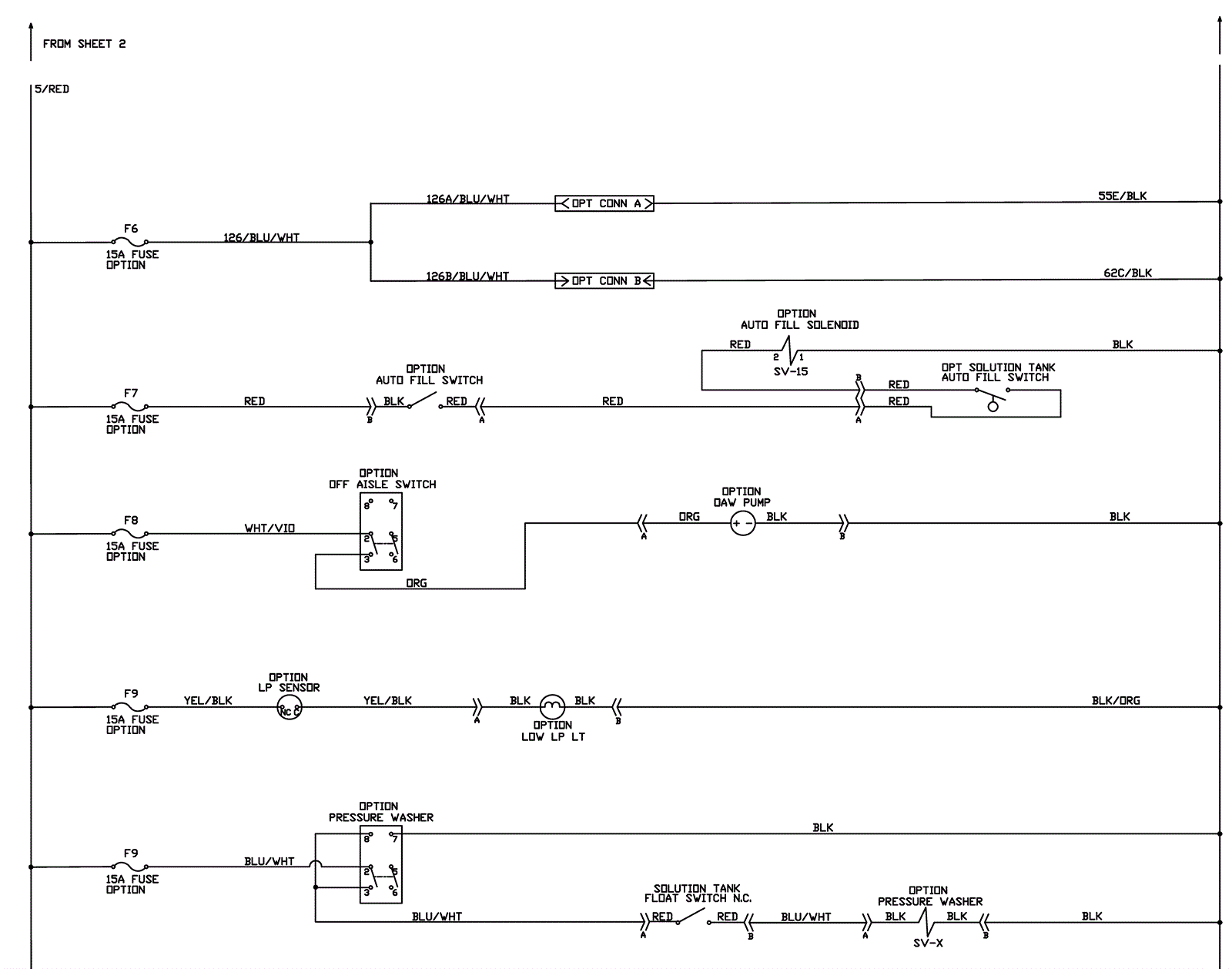
Electrical Schematic-3
Click to enlarge