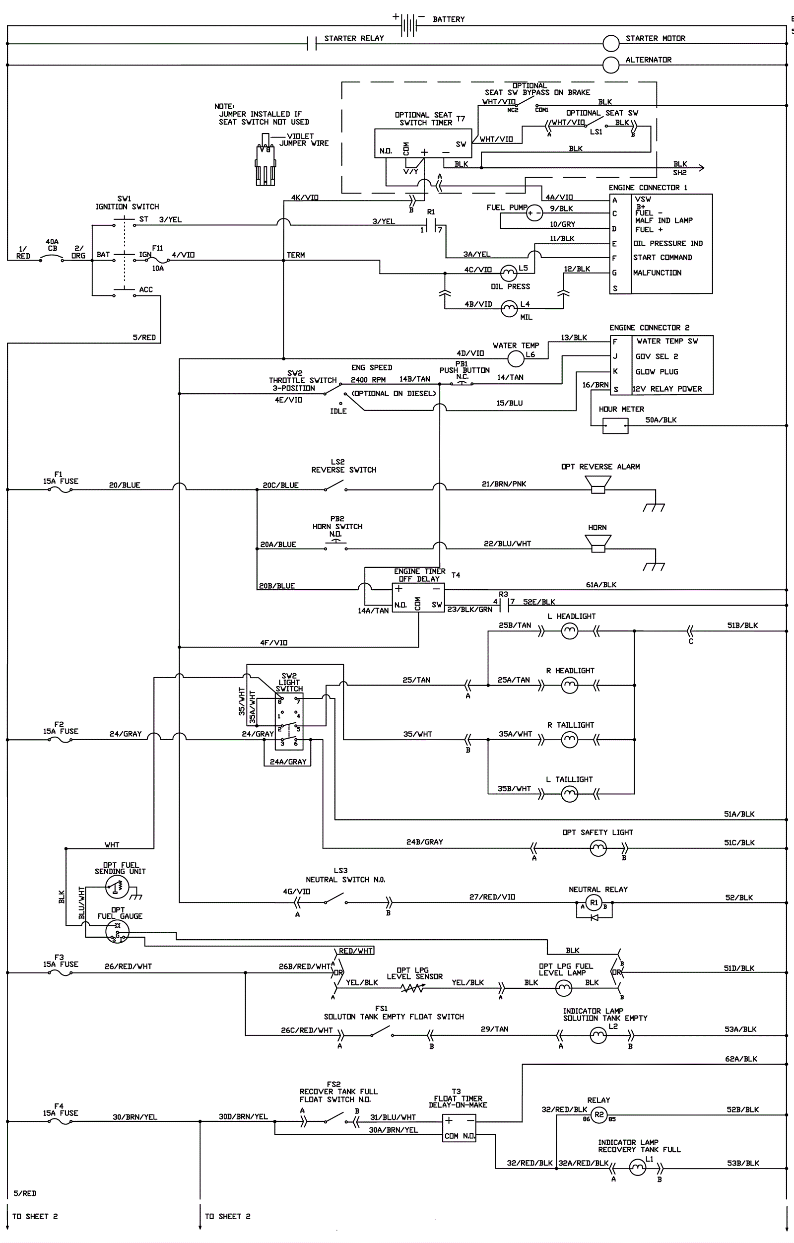
Electrical Schematic-1