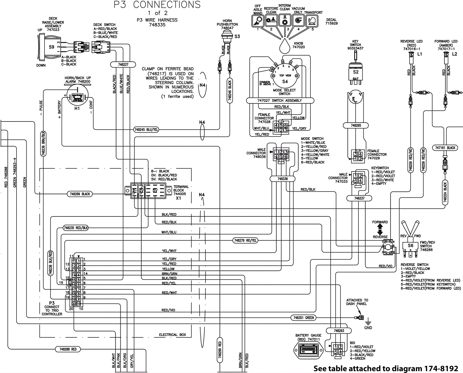
Wiring Diagram-2-Model 988732
Click to enlarge