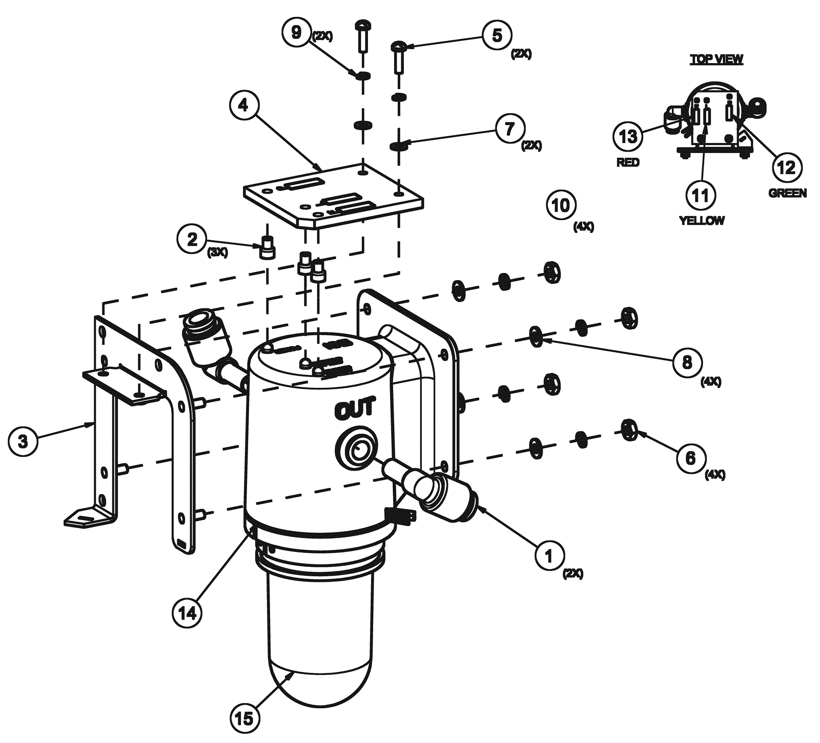
| # | Part | Description | Price | Req | Notes | Availability |
0 |
374-3366
|
Ozone base generator unit mounting assembly |
$1,803.22
|
1 |
(includes 1-15) |
usually ships 1-5 days |
1 |
374-3371
|
FITTING, 90 EL 3/8 STUB-STEM 3/8 T, PVDF |
$34.22
|
2 |
|
usually ships 1-5 days |
2 |
374-3372
|
COUPLER, THRU-HOLE, LED LIGHT PIPE,SHORT |
$109.22
|
3 |
|
usually ships 1-5 days |
3 |
374-3373
|
Ozone generator unit back mounting plate |
$39.06
|
1 |
|
usually ships 1-5 days |
4 |
N/A
|
Not available |
Call for price
|
1 |
(spray jet bracket) |
usually ships 3-26 days |
5 |
374-1037
|
SCR-MC 6-32 X .50 ZINC |
$1.05
|
2 |
|
usually ships 1-5 days |
6 |
999-0357
|
Nut 8-32 nylon insert lock stainless steel |
$0.99
|
4 |
|
ships same day |
7 |
174-5230
|
Washer #6 flat |
$1.08
|
2 |
|
usually ships 9-13 days |
8 |
999-0412
|
Washer #8 SAE flat |
$0.99
|
4 |
|
ships same day |
9 |
174-6331
|
Washer #6 helical steel plated |
$1.08
|
2 |
|
usually ships 1-5 days |
10 |
174-5406
|
Washer 8 helical |
$2.28
|
4 |
|
usually ships 9-13 days |
11 |
274-3593
|
TAPE-ELECTRICAL YELLOW |
$24.71
|
1 |
|
usually ships 1-5 days |
12 |
274-3594
|
TAPE-ELECTRICAL GREEN |
$24.11
|
1 |
|
usually ships 1-5 days |
13 |
374-3374
|
TAPE, ELECTRICAL, RED, 3/4" X 66 FT ROLL |
$24.42
|
1 |
|
usually ships 1-5 days |
14 |
374-3375
|
Filter and cartridge inline ozone system |
$909.58
|
1 |
|
usually ships 1-5 days |
15 |
374-3376
|
Inline ozone system cartridge |
$477.75
|
1 |
|
usually ships 1-5 days |