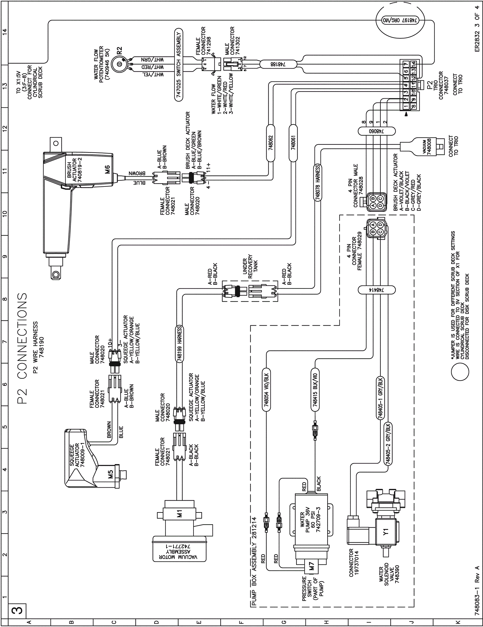
Wiring Diagram-3
Click to enlarge