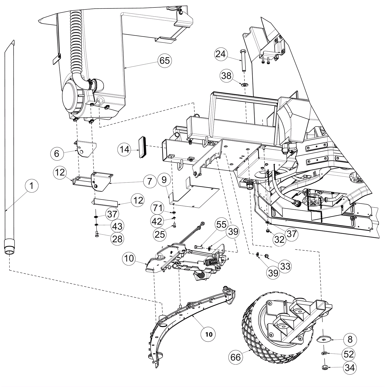
| # | Part | Description | Price | Req | Notes | Availability |
1 |
174-8675
|
Squeegee hose assembly |
$45.23
|
1 |
|
usually ships 9-13 days |
6 |
174-3721
|
Left hand bracket |
$18.77
|
1 |
|
usually ships 9-13 days |
7 |
174-3722
|
Right hand bracket |
$18.77
|
1 |
|
usually ships 9-13 days |
8 |
174-8695
|
Snubbing washer |
$7.08
|
4 |
|
usually ships 1-5 days |
9 |
174-3723
|
Rear cover |
$34.53
|
1 |
|
usually ships 9-13 days |
10 |
174-3724
|
Rear squeegee mechanism |
$868.61
|
1 |
|
usually ships 9-13 days |
12 |
174-8697
|
Fixed slider weldment |
$47.75
|
2 |
|
usually ships 1-5 days |
14 |
174-8709
|
Endcap |
$5.46
|
2 |
|
usually ships 1-5 days |
24 |
174-8865
|
Bolt 5/8-11 x 4 hex head grade 5 |
$3.29
|
4 |
|
usually ships 1-5 days |
25 |
174-5718
|
Bolt 1/4 20 x 5/8 hex head |
$1.08
|
10 |
|
usually ships 1-5 days |
28 |
999-0401
|
Bolt 5/16-18 x 7/8 hex head grade 5 zinc plated |
$0.99
|
8 |
|
ships same day |
32 |
999-0211
|
Nut 5/16-18 hex nylon insert lock zinc plated |
$0.99
|
4 |
|
ships same day |
33 |
999-0188
|
Nut 3/8-16 nylon insert lock zinc plated |
$0.99
|
7 |
|
ships same day |
34 |
174-8866
|
Nut 5/8 x 11 hex |
$1.08
|
4 |
|
usually ships 1-5 days |
37 |
999-0024
|
Washer 5/16 flat stainless steel |
$1.34
|
20 |
|
ships same day |
38 |
999-0349
|
Washer 5/8 SAE flat |
$0.99
|
4 |
|
ships same day |
39 |
999-0120
|
Washer 3/8 SAE flat |
$0.99
|
27 |
|
ships same day |
42 |
999-0060
|
Washer 1/4 split lock plain finish |
$0.99
|
14 |
|
ships same day |
43 |
999-0028
|
Washer 5/16 split lock plain finish |
$0.99
|
16 |
|
ships same day |
52 |
174-8872
|
Washer helical |
$1.08
|
4 |
|
usually ships 1-5 days |
55 |
174-1378
|
Bolt 3/8-16 x 1 1/4 hex head #5 |
$1.08
|
2 |
|
usually ships 1-5 days |
65 |
174-3725
|
Recovery tank assembly |
$1,762.90
|
2 |
|
usually ships 9-13 days |
66 |
174-8685
|
Rear axle assembly |
$1,802.44
|
1 |
|
usually ships 1-5 days |
71 |
174-3726
|
Battery cable mount cover |
$1.14
|
1 |
|
usually ships 9-13 days |
N/S |
274-5948
|
LOWER LINK ASSY., RIGHT |
$72.72
|
1 |
|
usually ships 1-5 days |
N/S |
174-8676
|
5 inch headlight cover |
$14.15
|
1 |
|
usually ships 1-5 days |