| # | Part | Description | Price | Req | Notes | Availability |
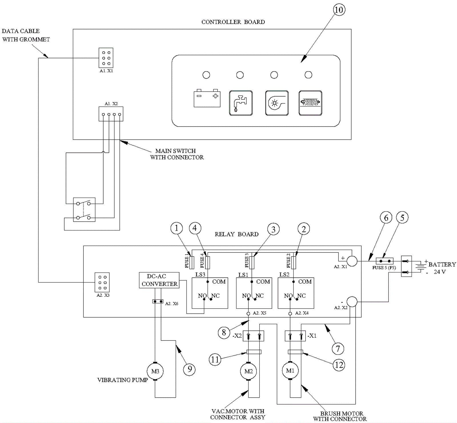
1 |
374-3008
|
1amp fuse |
$3.24
|
1 |
|
usually ships 1-5 days |
2 |
374-3009
|
35amp fuse |
$2.85
|
1 |
|
usually ships 1-5 days |
3 |
374-3010
|
25amp fuse |
$1.72
|
1 |
|
usually ships 1-5 days |
4 |
374-3011
|
5amp fuse |
$2.21
|
1 |
|
usually ships 1-5 days |
5 |
374-3012
|
50amp fuse |
$2.64
|
1 |
|
usually ships 1-5 days |
6 |
374-3013
|
Fuse cable link |
$8.81
|
1 |
|
usually ships 1-5 days |
7 |
374-3014
|
Brush motor cable assembly |
$9.03
|
1 |
|
usually ships 1-5 days |
8 |
374-3015
|
Vacuum motor cable assembly |
$8.36
|
1 |
|
usually ships 1-5 days |
9 |
374-3016
|
Pump cable assembly |
$12.00
|
1 |
|
usually ships 1-5 days |
10 |
374-3017
|
Panel |
$11.64
|
1 |
|
usually ships 1-5 days |
11 |
374-3018
|
Vacuum motor ferrite |
$28.03
|
1 |
|
usually ships 1-5 days |
12 |
374-3019
|
Brush motor ferrite |
$32.28
|
1 |
|
usually ships 1-5 days |